Zum Hauptinhalt springen Zur Suche springen Zur Hauptnavigation springen
schneller Versand
Telefonische Beratung
Rufen Sie gerne an
Rechnungszahlung für Firmen/Behörden
Telefon: +49 (0)7362 - 919093

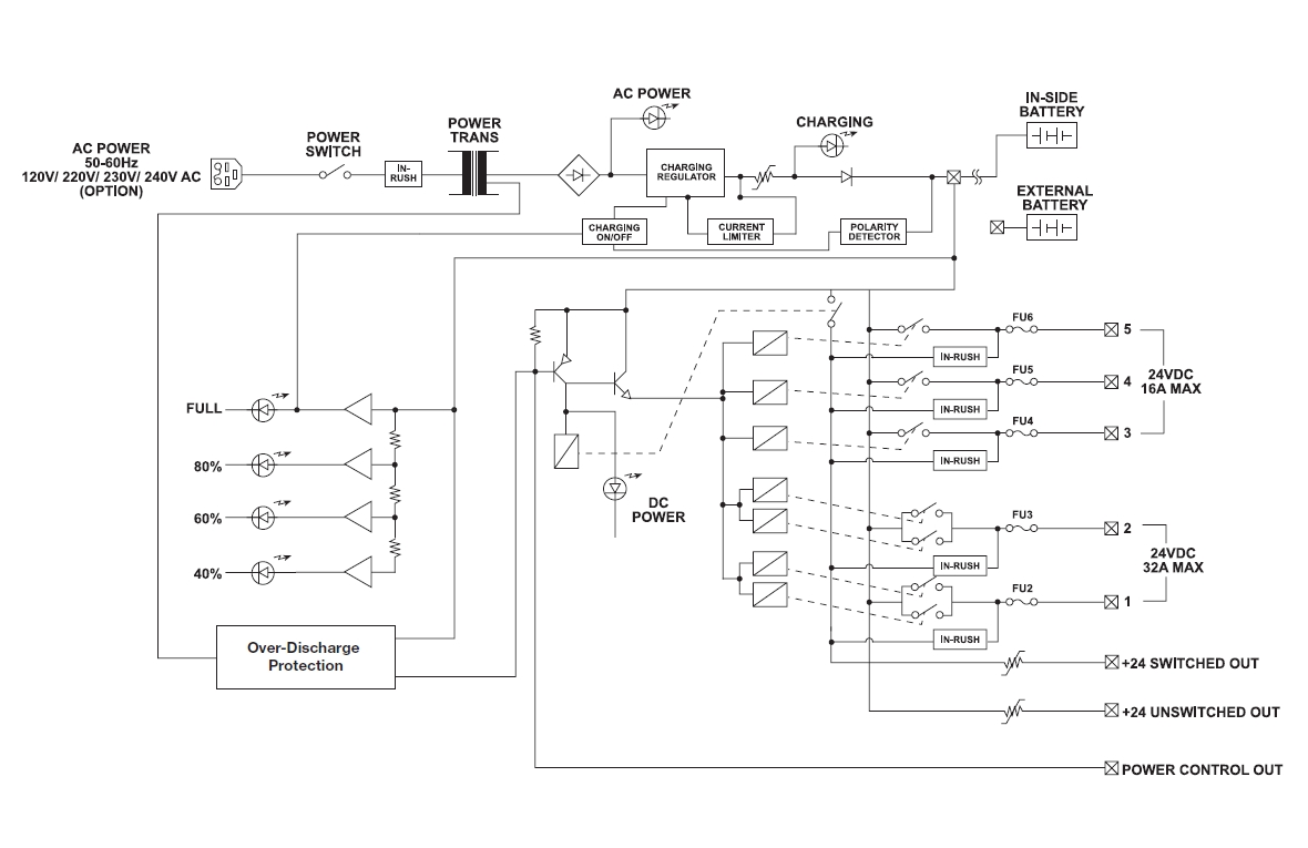
DC USV 24V NT 230V auf 24VDC 19zoll 3HE RM mit Ladegerät ohne Akku

Produktinformationen "DC USV 24V NT 230V auf 24VDC 19zoll 3HE RM mit Ladegerät ohne Akku"

24V USV mit integriertem Ladegerät und Notstrommanagement in einem stabilen 19zoll Gehäuse (3HE)

24V DC USV mit integriertem Ladegerät und Notstrommanagement in einem stabilen 19zoll Gehäuse ( 3HE )

Bei Ausfall der Netzspannung erfolgt Umschaltung Automatisch auf 24V DC Notstromversorgung für 24V Verbraucher aller Art ( 24V Akku erforderlich ) Ideal für 24V DC Verbraucher aller Art wie ELA-Zentralen, ELA-Verstärker, Alarmtechnik, Sicherheitstechnik usw.

Alle verwendeten Bauteile in dieser Baugruppe sind von höchster Qualität, so dass auch die in der Technik geforderte Dauerbelastbarkeit gesichert ist. Das Gerät übernimmt die Ladung von 24V Blei-Notstromakkus, wobei ein elektronischer Regelkreis die Batterie vor Überladung schützt. Die automatische Umschaltung auf den 24V DC Notstrombetrieb ist bereits integriert und erweitern den Einsatzzweck dieses Gerätes erheblich.

Funktionen / Merkmale :

  • 24V DC USV im Automatischem Verfahren
  •   die Umschaltung der 24V Notstromversorgung bei Netzausfall erfolgt völlig automatisch auf die Klemmen. 
  • Automatische Umschaltung auf Notstrombetrieb ( 24V DC )bei Netzausfall oder Netzschalter aus.
  • Eingebauter Tiefentladeschutz für Akku 24V ( wenn die Akkuspannung bei DC-Betrieb unter ihren vorgegebenen Soll-Mindestwert abfällt, wird die automatische DC-Umschaltung deaktiviert! ).
  • 2x 24V DC Ausgänge mit je 32 A über Schraubklemmen und
  • 3x 24V DC Ausgänge mit je 16 A über Schraubklemmen
  • Leicht zugängliche Sicherungen
  • Automatische Ladung von 24V Notstrombatterien
  • Kapazitäts Status LEDs 40%, 60%, 80%, FULL
  • Schutzschaltung gegen Überladung und Überspannung der Batterie
  • Ladevorganganzeige und Ladezustand-LED
  • Status LED AC / DC über dem Netzschalter
  • Verpolungsschutzschaltung für Akkus
  • Integrierter Summer ( Buzzer Ein-Aus schaltbar auf der Frontseite )
  • Die Autonomiezeit hängt von den verwendeten Akkukapazität und der gezogenen Leistung der Verbraucher ab 
  • Akkus nicht anbei. Akkus optional je nach benötigter Kapazität 2x12V 27Ah erhältlich
  • Rückseite Schraubklemmen zum Anschluss einer externen Batterie.
  • ( Bitte achten Sie darauf, dass entweder nur die interne oder die externe Batterie angeschlossen ist )

Technische Daten:

  • Integrierter Netzschalter auf der Frontseite
  • Eingang 230VAC 50/60Hz über 3polige Kaltgerätebuchse
  • LED Status Anzeigen für AC-Power / Ladevorgang und
  • Kapazitäts-Status LEDs 40%, 60%, 80%, FULL
  • Ladegerät intern Ladeschlussspannung ca. 27,3V DC für 2x12V Akkus = 24V Akkupack ( Bleiakku only )
  • Platz innen im Gerät für 2x Bleiakkus = Gesamt-Nutzfläche: B: 330mm T: 175mm H: 125mm siehe weitere Bilder ! 
  • Mögliche Platz intern somit je Akku max B:165mm x T:174mm  H:125mm 
  • Bleiakkus optional z.B. 2x 12V je 26Ah = 1x Satz = Bst-Nr. 66-850-00821 oder externe auch mit 12Ah, 14Ah ... 45Ah usw.
  • Ladegerät Ladestrom maximal 2,5A bei 24V
  • Stromverbrauch 105W
  • Ausgänge für 24V DC Verbraucher
  • 2x 24V DC Ausgänge mit je 32 A über Schraubklemmen auf der Rückseite
  • 3x 24V DC Ausgänge mit je 16 A über Schraubklemmen auf der Rückseite
  • 4pol Steuereingang über Schraubklemme für Stromausfallerkennung und Automatische Umschaltung
  • Mögliche Ansteuerung trotzdem sind
  •  Klemme: Power Control Out
  •    In der Version -RM- diesen Anschluss nicht mit dem Leistungverteiler JPD-322A verbinden.
  •    Für die Funktion der automatischen Umschaltung auf DC 24V der Ausgänge, brücken Sie
  •    die Anschlüsse „Power Control Out“ und „Minus (–)“.
  •    Diese Funktion ist als Servicebrücke gedacht, da bei abziehen der Brücke die Spannung an der       Anschlussleiste abfällt
  •  Klemme Switched Out
  •    Geschalteter Ausgang durch welchen bei Netzausfall, in Verbindung mit dem
  •    Leistungsverteiler JPD-322 A, die DC-Stromversorgung des Relaisfeldes JRG-220 A gewährleistet wird.
  •  Klemme unswitched Output ( Kleinleistung ) 
  •   24V Fremdverbraucher wie Wählgeräte, Router, Notfall-Sprechstellen die am
  •    umgeschalteten 24Volt Ausgang (unswitched out) des Gerätes betrieben werden,  bitte  erst unmittelbar vor
  •    Inbetriebnahme anschließen. Akkus können sonst ungewollt entladen werden. 
  •    Primär ist der ungeschalteter 24V DC Ausgang, welcher auch im Alarmfall die ständige Notstromversorgung
  •    für Fremdgeräte oder der digitalen Sprechstellen JRA051A/B und des Alarmschaltfeldes JES-120 A gewährleistet 
  •     Die Anschlussklemme „Unswitched Out“ wird nicht vom Tiefenentladeschutz überwacht.
  • Abmessungen B: 483mm H: 133m m( 3HE ) T: 350 mm
  • Gewicht: 12,5Kg

Optional erhältlich ( siehe auch im Zubehör-Register ) : 

  • Intern = 2x Bst Nr. 33-175-02360 = 12V Bleiakku 12Ah 151x98x94mm
  • oder 
  • Intern = 2x Bst Nr. 33-175-03470 = 12V Bleiakku 14Ah 151x98x95mm
  • oder 
  • Intern = 2x Bst Nr. 33-175-01280 = 12V Bleiakku 26Ah 165x175x125mm
  • oder 
  • Intern = 1x Bst Nr. 66-850-00821 = 24V Akkusystem ( 2x 12V 26AH ) 
  • oder 
  • Extern = 2x Bst Nr. 33-175-01320 = 12V Bleiakku 28Ah 166x175x125mm
  • oder
  • Extern = 2x Bst Nr. 33-175-014150 = 12V Bleiakku 45Ah 198x171x166mm

Folgende Ausführungen dieser 24V DC USV sind erhältlich :

  • Bst Nr. 66-850-00820 = 24V DC USV 19zoll Rackversion 3HE ( die Umschaltung erfolgt durch ein externen Kontakt oder optionales "Netzausfall-Relais" )
  • Bst Nr. 66-850-00810 = 24V DC USV 19zoll Rackversion 3HE ( die Umschaltung erfolgt Automatisch )

0 von 0 Bewertungen

Durchschnittliche Bewertung von 0 von 5 Sternen

Bewerten Sie dieses Produkt!

Teilen Sie Ihre Erfahrungen mit anderen Kunden.


Produktgalerie überspringen

Zubehör

Rabatt
12V Bleiakku 12V 45Ah OEM WP 198x171x166mm Querloch
12V Bleiakku 12V 45Ah OEM WP 198x171x166mm Querloch

12V 45Ah Akku Bleiakku wiederaufladbar wartungsfrei und verschlossen durch Ventilregulierung auslaufsicher Lage unabhängig zu betreiben  niedrige Selbstentladung lange Gebrauchsdauer einfache Ladung kein Gefahrengut Kontakte Rechteckiger Kontaktzapfen (17x16mm) mit Querloch (6,5mm) für M6 Schraube  Spannung: 12Volt Kapazität: 45Ah = 45.000mAh 2 Lade-Methoden sind möglich  Ladespannung: 13,6..13,8V DC ( Float Charging )  Ladespannung: 14,4..15.0V DC ( Cyle Use Charging )  Innenwiederstand nur 7mOhm  Rechargeable sealed LEAD ACID Battery  AGM VRLA Serie Abmessungen: Breite 199mm  x Tiefe 166mm x Höhe 171mm   Flammwidriges ABS UL94 HB Gehäuse  Gewicht: 14,5kg  Ideal auch für Gartenhaus in Verbindung mit Solarzellen und Laderegler !     

Verkaufspreis: 145,00 € Regulärer Preis: 179,00 € (18.99% gespart)
Nur 1 auf Lager!
Rabatt
12V Bleiakku 12V 12Ah 151x98x94mm Kontakte 6,3mm
12V Bleiakku 12V 12Ah 151x98x94mm Kontakte 6,3mm

12V Bleiakku wiederaufladbar, wartungsfrei und verschlossen durch Ventilregulierung. Niedrige Selbstentladung, lange Gebrauchsdauer, einfache Ladung, kein Gefahrengut. Spannung 12 Volt Kapazität: 12Ah = 12.000mAh Mit 2x 6,3mm Flachstecker Anschlüsse Beide Kontakte auf der schmalen Seite Abstand der Kontakte ca.: Mitte-Mitte 79mm Initial Current 3,6A max  Stand by use: 13,5..13,8V  Cyclice Use: 14,4..15,0V   Abmessungen: L:151mm B:98mm H:94mm Gewicht: 6,5kg

Verkaufspreis: 36,50 € Regulärer Preis: 49,90 € (26.85% gespart)
12V Bleiakku 12V 26Ah 175x166x126mm
12V Bleiakku 12V 26Ah 175x166x126mm

12V 26Ah Bleiakku wartungsfreier Akku. LONG liefert eine große Pallette von Bleibatterien, die für Sicherheitsanwendungen zugelassen sind. Durch den geringen Innenwiderstand sehr gut geeignet für Alarmanlagen und unterbrechungsfreie Stromversorgungen, Beleuchtungstechnik oder auch als Solarakku. Die Batterien sind zertifiziert nach VdS (Verband der Sachversicherer) Typische Einsatzbereiche: Sicherheitstechnik Brandmeldetechnik Alarmtechnik Industrie Telekommunikation, USV-Anlagen / UPS auch Freizeit / Hobby / Gartenhaus usw. Stand-by-Anwendungen Gewerbliche Einsätze Technische Daten: Betriebstemp.: -15°C bis +50°C. Optimalbereich: 5°C bis 35°C. Solider Bleiakku AGM Wartungsfrei Anschlüsse: F3 mit Querloch 5,5mm für M5 Schraube Spannung: 12 Volt Nomina Capacity: 26Ah 20 hor rate Innenwiederstand: 11mOhm Maximum Discharge Current for 5 seconds 390A Charging Methode (Float Charging): 13,5....13,8V Charging Methode (Cycle Use): 14,4....15,0V Entladen in 10h 23,8Ah / Entladen in 20h 26Ah. Betriebstemp.: -15°C bis +50°C. Optimalbereich: 5°C bis 35°C. Gehäusematerial: UL94HB UL94V-0 flammwiedrig VdS-Nr.: G199098 Abmessungen: L:166mm B:175mm H:125mm Gewicht: 9,53kg

Regulärer Preis: 82,95 €
Rabatt
12V Bleiakku 12V 14Ah 151x98x95mm Kontakte 6,3mm Zyklenfest
12V Bleiakku 12V 14Ah 151x98x95mm Kontakte 6,3mm Zyklenfest

12V 14Ah Bleiakku wiederaufladbar, wartungsfrei und verschlossen durch Ventilregulierung. Niedrige Selbstentladung, lange Gebrauchsdauer, einfache Ladung, kein Gefahrengut. Bleiakku 12V 14Ah Zyklenfest Für den Einsatz z.B. von Elektroscootern, Motorrollern, USV, Alamtechnik usw.  Spannung 12Volt Kapazität: 14Ah = 14.000mAh Besonderheit: Blei-Flies und Zyklenfest  Mit 2x 6,3mm Flachstecker Anschlüsse VDS-Zulassung Nein Ladespannung ( Charging-Voltage ) 14,4...15V Max Ladestrom 4,2A ( Maximum Charging Current ) Standby use: Float Charging Voltage 13,5...13,8V Abmessungen: L:151mm B:98mm H:95mm Gewicht: 4,4kg

Verkaufspreis: 34,90 € Regulärer Preis: 47,80 € (26.99% gespart)
Produktgalerie überspringen

Ähnliche Artikel

Rabatt
24V 5A Netzteil mit Akku Anschluss Ladefunktion und Netzausfallschutz DC USV
24V 5A Netzteil mit Akku Anschluss Ladefunktion und Netzausfallschutz DC USV

24Volt Netzteil mit USV Funktion (24V Notstromversorgung mit Akkupufferung) 25V 5,5A Schaltnetzteil mit Ladefunktion und Netzausfallschutz 24V 5,5A Netzteil mit Ladefunktion Akkuanschluss und Netzausfallschutz gleichzeitig 24V Geräte betreiben und Bleiakku oder Bleigelakku laden empfohlene Akkukapazität: 2Ah bis 24Ah(z.B. 2x12V Akku) Häufig wird in der Elektronik eine Stromversorgung mit Netzausfallüberbrückung benötigt. Umschaltzeit nicht vorhanden da Ausgang dauernd ON über angeschlossenen Akku  Ideal für die Steuerungstechnik, Funktechnik, Messtechnik, fernbetriebene Systeme, Fertigungssteuerungen und zahlreiche andere 24V Systeme benötigen eine netzausfallsichere Stromversorgung Hier ist eine fertige Lösung Netzteil mit Akkuanschluss  Technische Daten: Eingang 230VAC typisch  Eingangsspannungsbereich: 88...264Vac  47...63Hz oder 124-370Vdc Leistung: bis 151 Watt Ausgangsspannnung: 24 Volt stabilisierte Gleichspannung Leistung Ausgang 0-5A max. 5,5A ( Netzteil 5A + 0,5A Ladestrom )  Ausgangsspannung über Poti bedingt durch Akku regelbar ( 24V...29V ) Geringe Restwelligkeit nur 150mV USV Modus intengriert für Pufferfunktion Bei Netzausfall wird die Spannung des Akkus direkt an den 24V Geräteausgang durchgeschleift  Anschluss mit Ladefunktion für Akku (Blei, Blei-Gel, AGM) Anschluss für 24V Pufferakku (Bleiakku) bis 25Ah ( z.B. 2 x 12V Akku ) Empfohlene Akkukapazität: 2Ah bis 25Ah, je nach angeschlossenem Verbraucher und Pufferzeit Integriertes Ladegerät für den angeschlossenen optionale 24V Bleiakku automatische Laderegelung des angeschlossenen Akkus Akku Ladestrom automatisch bis max 0,5A Akkuschutz durch integrierte Sicherung Batterie Low Erkennung: 19,5V +1,5V -1V Dabei überwacht die Low-Schutzschaltung die Spannung des Akkus  Ab 19,5V und darunter wird der Akku vom Verbraucher getrennt 2 Schraubanschlüsse für 24V Ausgang (Last) 2 Schraubanschlüsse für 24V Akku (Bleiakku) 3 Netzeingang (L+N+PE) Überspannunssschutz für den Ausgang: 31,74-37,26V Kurzschlußfest Überlastschutz 105-135% Netzausfallüberbrückung 20ms ( Dies beziehen sich auf die Pufferzeit des Netzteils )  DC Online USV ( Eine Umschaltung per Relais zum Akku gibt es nicht, der Akku ist permanent Online )  Überspannungschutz 110-150% Hoher Wirkungsgrad: 84% Soft-Start mit Strombegrenzung Eingebauter Entstörfilter PFC PF>0,92 Eingang-Ausgang galvanisch getrennt  100% Burn-In Test unter Vollast Leistungsbegrenzung mit Wiederanlauf im Kurzschlussfall Temperatureinssatzbereich: -10°...+60°C Schraubanschlüsse:  L+N+PE = 230V Netzeingang BATT(+) und BATT (-) für externen Bleiakku DC(+) und DC(-) Ausgang für Last 2-pol Steckverbinder CN1 Anschluss für Reset Switch Lochblechgehäuse mit M3 Gewinde für die Befestigung mit Hutschienenclips o.ä. Abm.: L: 199mm H: 50mm B: 110mm Gewicht: 0.88kg Passendes Zubehör wie 2x 12V Bleiakkus mit unterschiedlicher Leistung siehe (Zubehör-Register) Dieses Netzteil mit Akkuanschluss für Bleiakku Pufferung ist wie folgt erhältlich :  als 12V Ausführung  Art-Nr 93-808-04650 = Netzteil Case 230V mit Akkuanschluss 230V auf 12V DC   50W 3,0A+0,5A Ladestrom Art-Nr 93-808-04250 = Netzteil Case 230V mit Akkuanschluss 230V auf 12V DC 150W 11A+0,5A Ladestrom  als 24V Ausführung  Art-Nr 93-808-04660 = Netzteil Case 230V mit Akkuanschluss 230V auf 24V DC   50W 1,5A +0,3A Ladestrom Art-Nr 93-808-04662 = Netzteil Case 230V mit Akkuanschluss 230V auf 24V DC   60W 2,0A +0,2A Ladestrom oder 1,7A +0,5A Ladestrom  Art-Nr 93-808-04260 = Netzteil Case 230V mit Akkuanschluss 230V auf 24V DC 150W 5,0A+0,5A Ladestrom  

Verkaufspreis: 64,95 € Regulärer Preis: 84,95 € (23.54% gespart)
Nur 1 auf Lager!
DC USV 24V NT 230V auf 24VDC 19zoll 3HE mit Ladegerät ohne Akku
DC USV 24V NT 230V auf 24VDC 19zoll 3HE mit Ladegerät ohne Akku

24V USV mit integriertem Ladegerät und Notstrommanagement in einem stabilen 19zoll Gehäuse (3HE) Bei Ausfall der Netzspannung erfolgt Umschaltung auf 24V DC Notstromversorgung für 24V Verbraucher aller Art ( 24V Akku erforderlich ) Ideal für 24V DC Verbraucher aller Art wie ELA-Zentralen, ELA-Verstärker, Alarmtechnik, Sicherheitstechnik usw. Alle verwendeten Bauteile in dieser Baugruppe sind von höchster Qualität, so dass auch die in der Technik geforderte Dauerbelastbarkeit gesichert ist. Das Gerät übernimmt die Ladung von 24V Blei-Notstromakkus, wobei ein elektronischer Regelkreis die Batterie vor Überladung schützt. Die automatische Umschaltung auf den Notstrombetrieb durch ein "Standard Netzausfall-Relais" erweitern den Einsatzzweck dieses Gerätes erheblich. Funktionen: 24V DC USV im Offline Verfahren die Umschaltung erfolgt durch ein externen Kontakt oder optionales "Netzausfall-Relais 1x EIN" 2x 24V DC Ausgänge mit je 32A über Schraubklemmen ( Fuse 40A ) und 3x 24V DC Ausgänge mit je 16A über Schraubklemmen ( Fuse 20A )  Leicht zugängliche Sicherungen Automatische Ladung von 24V Notstrombatterien Kapazitäts Status LEDs 40%, 60%, 80%, FULL Schutzschaltung gegen Überladung und Überspannung der Batterie Ladevorganganzeige und Ladezustand-LED Status LED AC / DC über dem Netzschalter Verpolungsschutzschaltung für Akkus Integrierter Summer ( Buzzer Ein-Aus schaltbar auf der Frontseite ) Die Autonomiezeit hängt von den verwendeten Akkukapazität und der gezogenen Leistung der Verbraucher ab  Akkus optional je nach benötigerter Kapazität wie folgt erhältlich interne Akkus  z.B. 2x12V 12Ah....bis... 27Ah erhältlich oder  externe Akkus z.B. 2x 12V 26Ah .... 65Ah über Schraubklemmen auf der Rückseite zum Anschluss einer externer optionaler Bleiakkus aller Art  ( Bitte achten Sie darauf, dass entweder nur die interne oder die externe Batterie angeschlossen ist ) Technische Daten: Integrierter Netzschalter auf der Frontseite Eingang 230VAC 50/60Hz über 3polige Kaltgerätebuchse LED Status Anzeigen für AC-Power / Ladevorgang und Kapazitäts Status LEDs 40%, 60%, 80%, FULL Ladegerät intern Ladeschlussspannung ca. 27,3V DC für 2x12V Akkus = 24V Akkupack ( Bleiakkau only ) Platz innen im Gerät für 2x Bleiakkus = Gesamt-Nutzfläche: B: 330mm T: 175mm H: 125mm siehe weitere Bilder !  Mögliche Platz intern somit je Akku max B:165mm x T:174mm  H:125mm  Bleiakkus optional z.B. 2x 12V je 26Ah Bst-Nr 66-850-00821 oder externe auch mit 12Ah, 14Ah ... 45Ah usw. Ladegerät Ladestrom max 2,5A bei 24V Stromverbrauch 105W Ausgänge für 24V DC Verbraucher 2x 24V DC Ausgänge mit je 32 A über Schraubklemmen auf der Rückseite ( Fuse 40A )  3x 24V DC Ausgänge mit je 16 A über Schraubklemmen auf der Rückseite ( Fuse 20A )  4pol Steuereingang über Schraubklemme für Stromausfallerkennung und Umschaltung Mögliche Ansteuerung  Klemme: Power Control Out    Über diesen Eingang werden bei Netzausfall die 24V Ausgänge aktiviert, dies    geschieht entweder über einen Schaltkontakt durch ein optionales    „Netzausfall-Relais“ (nicht im Lieferumfang Standard Schliesser Relais "siehe Plan"    oder durch den optionalen Leistungsverteiler JPD-322A  Klemme Switched Out    Geschalteter Ausgang durch welchen bei Netzausfall, in Verbindung mit dem    Leistungsverteiler JPD-322 A, die DC-Stromversorgung des Relaisfeldes JRG-220 A gewährleistet wird.  Unswitched Output    Ungeschalteter Ausgang, welcher auch im Alarmfall die ständige Notstromversorgung der   digitalen Sprechstellen JRA051 A/B und des Alarmschaltfeldes JES-120 A gewährleistet (in Verbindung mit JPD-322 A u. JRG-220 A). Abmessungen B: 483mm H: 133m m( 3HE ) T: 350 mm Gewicht: 12Kg Optional erhältlich ( siehe auch im Zubehör-Register ) :  Intern = 2x Bst Nr 33-175-02360 = 12V Bleiakku 12Ah 151x98x94mm oder  Intern = 2x Bst Nr 33-175-03470 = 12V Bleiakku 14Ah 151x98x95mm oder  Intern = 2x Bst Nr 33-175-01280 = 12V Bleiakku 26Ah 165x175x125mm oder  Intern = 1x Bst Nr 66-850-00821 = 24V Akkusystem ( 2x 12V 26AH )  oder  Extern = 2x Bst Nr 33-175-01320 = 12V Bleiakku 28Ah 166x175x125mm oder Extern = 2x Bst Nr 33-175-014150 = 12V Bleiakku 45Ah 198x171x166mm Folgende Ausführungen dieser 24V DC USV sind erhältlich : Bst Nr 66-850-00820 = 24V DC USV 19zoll Rackversion 3HE ( die Umschaltung erfolgt durch ein externen Kontakt oder optionales "Netzausfall-Relais" ) Bst Nr 66-850-00810 = 24V DC USV 19zoll Rackversion 3HE ( die Umschaltung erfolgt Automatisch )

Regulärer Preis: 539,00 €
Nur 1 auf Lager!
Rabatt
DC USV 24V NT 230V auf 24VDC 19zoll 3HE RM mit Ladegerät ohne Akku
DC USV 24V NT 230V auf 24VDC 19zoll 3HE RM mit Ladegerät ohne Akku

24V USV mit integriertem Ladegerät und Notstrommanagement in einem stabilen 19zoll Gehäuse (3HE) 24V DC USV mit integriertem Ladegerät und Notstrommanagement in einem stabilen 19zoll Gehäuse ( 3HE ) Bei Ausfall der Netzspannung erfolgt Umschaltung Automatisch auf 24V DC Notstromversorgung für 24V Verbraucher aller Art ( 24V Akku erforderlich ) Ideal für 24V DC Verbraucher aller Art wie ELA-Zentralen, ELA-Verstärker, Alarmtechnik, Sicherheitstechnik usw. Alle verwendeten Bauteile in dieser Baugruppe sind von höchster Qualität, so dass auch die in der Technik geforderte Dauerbelastbarkeit gesichert ist. Das Gerät übernimmt die Ladung von 24V Blei-Notstromakkus, wobei ein elektronischer Regelkreis die Batterie vor Überladung schützt. Die automatische Umschaltung auf den 24V DC Notstrombetrieb ist bereits integriert und erweitern den Einsatzzweck dieses Gerätes erheblich. Funktionen / Merkmale : 24V DC USV im Automatischem Verfahren   die Umschaltung der 24V Notstromversorgung bei Netzausfall erfolgt völlig automatisch auf die Klemmen.  Automatische Umschaltung auf Notstrombetrieb ( 24V DC )bei Netzausfall oder Netzschalter aus. Eingebauter Tiefentladeschutz für Akku 24V ( wenn die Akkuspannung bei DC-Betrieb unter ihren vorgegebenen Soll-Mindestwert abfällt, wird die automatische DC-Umschaltung deaktiviert! ). 2x 24V DC Ausgänge mit je 32 A über Schraubklemmen und 3x 24V DC Ausgänge mit je 16 A über Schraubklemmen Leicht zugängliche Sicherungen Automatische Ladung von 24V Notstrombatterien Kapazitäts Status LEDs 40%, 60%, 80%, FULL Schutzschaltung gegen Überladung und Überspannung der Batterie Ladevorganganzeige und Ladezustand-LED Status LED AC / DC über dem Netzschalter Verpolungsschutzschaltung für Akkus Integrierter Summer ( Buzzer Ein-Aus schaltbar auf der Frontseite ) Die Autonomiezeit hängt von den verwendeten Akkukapazität und der gezogenen Leistung der Verbraucher ab  Akkus nicht anbei. Akkus optional je nach benötigter Kapazität 2x12V 27Ah erhältlich Rückseite Schraubklemmen zum Anschluss einer externen Batterie. ( Bitte achten Sie darauf, dass entweder nur die interne oder die externe Batterie angeschlossen ist ) Technische Daten: Integrierter Netzschalter auf der Frontseite Eingang 230VAC 50/60Hz über 3polige Kaltgerätebuchse LED Status Anzeigen für AC-Power / Ladevorgang und Kapazitäts-Status LEDs 40%, 60%, 80%, FULL Ladegerät intern Ladeschlussspannung ca. 27,3V DC für 2x12V Akkus = 24V Akkupack ( Bleiakku only ) Platz innen im Gerät für 2x Bleiakkus = Gesamt-Nutzfläche: B: 330mm T: 175mm H: 125mm siehe weitere Bilder !  Mögliche Platz intern somit je Akku max B:165mm x T:174mm  H:125mm  Bleiakkus optional z.B. 2x 12V je 26Ah = 1x Satz = Bst-Nr. 66-850-00821 oder externe auch mit 12Ah, 14Ah ... 45Ah usw. Ladegerät Ladestrom maximal 2,5A bei 24V Stromverbrauch 105W Ausgänge für 24V DC Verbraucher 2x 24V DC Ausgänge mit je 32 A über Schraubklemmen auf der Rückseite 3x 24V DC Ausgänge mit je 16 A über Schraubklemmen auf der Rückseite 4pol Steuereingang über Schraubklemme für Stromausfallerkennung und Automatische Umschaltung Mögliche Ansteuerung trotzdem sind  Klemme: Power Control Out    In der Version -RM- diesen Anschluss nicht mit dem Leistungverteiler JPD-322A verbinden.    Für die Funktion der automatischen Umschaltung auf DC 24V der Ausgänge, brücken Sie    die Anschlüsse „Power Control Out“ und „Minus (–)“.    Diese Funktion ist als Servicebrücke gedacht, da bei abziehen der Brücke die Spannung an der       Anschlussleiste abfällt  Klemme Switched Out    Geschalteter Ausgang durch welchen bei Netzausfall, in Verbindung mit dem    Leistungsverteiler JPD-322 A, die DC-Stromversorgung des Relaisfeldes JRG-220 A gewährleistet wird.  Klemme unswitched Output ( Kleinleistung )    24V Fremdverbraucher wie Wählgeräte, Router, Notfall-Sprechstellen die am    umgeschalteten 24Volt Ausgang (unswitched out) des Gerätes betrieben werden,  bitte  erst unmittelbar vor    Inbetriebnahme anschließen. Akkus können sonst ungewollt entladen werden.     Primär ist der ungeschalteter 24V DC Ausgang, welcher auch im Alarmfall die ständige Notstromversorgung    für Fremdgeräte oder der digitalen Sprechstellen JRA051A/B und des Alarmschaltfeldes JES-120 A gewährleistet      Die Anschlussklemme „Unswitched Out“ wird nicht vom Tiefenentladeschutz überwacht. Abmessungen B: 483mm H: 133m m( 3HE ) T: 350 mm Gewicht: 12,5Kg Optional erhältlich ( siehe auch im Zubehör-Register ) :  Intern = 2x Bst Nr. 33-175-02360 = 12V Bleiakku 12Ah 151x98x94mm oder  Intern = 2x Bst Nr. 33-175-03470 = 12V Bleiakku 14Ah 151x98x95mm oder  Intern = 2x Bst Nr. 33-175-01280 = 12V Bleiakku 26Ah 165x175x125mm oder  Intern = 1x Bst Nr. 66-850-00821 = 24V Akkusystem ( 2x 12V 26AH )  oder  Extern = 2x Bst Nr. 33-175-01320 = 12V Bleiakku 28Ah 166x175x125mm oder Extern = 2x Bst Nr. 33-175-014150 = 12V Bleiakku 45Ah 198x171x166mm Folgende Ausführungen dieser 24V DC USV sind erhältlich : Bst Nr. 66-850-00820 = 24V DC USV 19zoll Rackversion 3HE ( die Umschaltung erfolgt durch ein externen Kontakt oder optionales "Netzausfall-Relais" ) Bst Nr. 66-850-00810 = 24V DC USV 19zoll Rackversion 3HE ( die Umschaltung erfolgt Automatisch )

Verkaufspreis: 849,00 € Regulärer Preis: 1.043,63 € (18.65% gespart)
Rabatt
DC USV Modul 24V Akku Ladegerät zu 24V Netzteilen mit Status-LEDs und Störmeldekontakten
DC USV Modul 24V Akku Ladegerät zu 24V Netzteilen mit Status-LEDs und Störmeldekontakten

24V USV Modul Akkulader für DIN-Schienen als DC USV-System  Anschluss einfach parallel zur bestehenden 24V Gleichspannungsversorgung und einem externen optionalen 24V Bleiakku, geeignet für 24V Systeme bis 40A, integrierter Akkulader mit Schutz gegen Akkuverpolung,  Relaisausgang und LED-Anzeige für DC-Spannungsversorgung o.k., Akku o.k. und Akku entladen.24V DC USV-System mit integr. Akkuladesystem montierbar auf üblichste 35mm DIN-Schienen Anschluss parallel zur 24Volt Netzteil Stromversorgunggeeignet für 24V DC Systeme bis 40A Laststrom z.B. 2x12V Akku in Serie 3in1 DC-USV-Modul mit Batterieüberwachung + Lastausgang + integrierter Akkutester bzw. vollständige Diagnose und Überwachung von 24V DC-Ausgangs (OK) Batterieentladung und Batterieausfall + Schutz gegen Akkuverpolung Primär ausgelegt für Blei-Säure-Batterie, Bleigel Akkus, AGM Kapazitätsbereich der Akkus  4Ah bis 135Ah  ( Pufferzeiten siehe weitere Bilder ) Ladestrom bis 2A automatisch überwachend Integrierte Störmeldekontakt über RelaisausgangRelaisausgang 3x potentialfreie Schließerkontakte als Statuskontakte für externe Anzeige Überwachung    Relais-Funktionen parallel zur LED-Anzeige z.B.    Relaiskontakt geschlossen wenn Gleichspannung OK und zwischen 21V und 29V ( LED Grün = OK )    Relaiskontakt geschlossen bei entladener oder defekter Batterie / Akku ( LED Rot )    Relaiskontakt geschlossen bei zu hohem Entladestrom der Batterie / Akku ( LED Gelb ) 3-fach LED-Anzeige     für Status-Anzeige DC-Spannungsversorgung o.k.    Batterie... Akku OK ( Grüne LED = DC BUS OK ) und     Gelbe LED = BAT Discharge und      Akku defekt bzw. kompplet entladen ( ROT = BAT-FAIL ) Technische Daten : Eingangsspannungsbereich: 24V...29Vdc Eingangsnennstrom: bis zu 40A Akku-Spannungsbereich: 21...29V DC Akku-Strombereich: 0...40A Akku-Ladestrom: 0-2A typisch für Akkukapazität 4...135Ah 24V Akkus Relaiskontakte Belastbarkeit bis 30VDC max 1A über Schraubklemmen Betriebstemperaturbereich: -30...+70°C Vibrationsfest im Bereich : 10-500Hz 2G 10min Kontakte: Schraubklemmen Bauform: für Hutschiene übliche 35mm Abm.: Bautiefe ab Hutschiene: 113,5mm / B: 63mm / H: 125,2mm Gewicht: 420gr Sicherheitsstandard und erfüllte Normen: EMC Emission : BS EN/EN55032(CISPR32) EMC IMMUNITY : BS EN/EN61000-4-3 / BS EN/EN61000-4-4 / BS EN/EN61000-4-5 / BS EN/EN61000-4-6 / BS EN/EN61000-4-8 Optional erhältlich ist noch ein Redundanzmodul = DRDN20-24 das ist ein 20A Redundanzmodul, das zusammen mit einer Stromversorgung ( Netzteil ) verwendet werden kann, um die Zuverlässigkeit des Gesamtbetriebs zu verbessert.Lieferung ohne Akku ( siehe Zubehör 2x12V = 24V xxAh )

Verkaufspreis: 34,15 € Regulärer Preis: 49,00 € (30.31% gespart)