Zum Hauptinhalt springen Zur Suche springen Zur Hauptnavigation springen
schneller Versand
Telefonische Beratung
Rufen Sie gerne an
Rechnungszahlung für Firmen/Behörden
Telefon: +49 (0)7362 - 919093

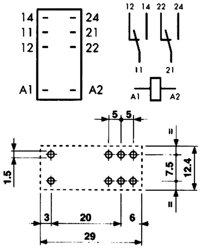
230V Relais AC Spule 2xUM DPDT 2xWechsler Kontakte je 8A 250V 4052 Silberkontakte

Produktinformationen "230V Relais AC Spule 2xUM DPDT 2xWechsler Kontakte je 8A 250V 4052 Silberkontakte"

230V Relais Leiterplatten oder auch als Steckrelais verwendbar ( 2xUM = 2x Wechslerkontakte ) 

  • 230V Relais (AC Spule) 
  • 8 Pins bzw. Kontakte (2x Spule 6x für Wechsler)
  • Spule: 230V Einsatzbereich 184...253VAC 50Hz 
  • Spule: 27kOhm Strom: 5mA (Nenn) max. 8,5mA
  • Kontakte 2x Wechsler = 2xUM
  • Kontaktmaterial: AgNI = Silber-Nickel
  • Kontaktbelastbarkeit je Kontakt:
  • 2 Wechslerkontakten ( 2x Schliesser und 2x Öffner ) 
  • Kontaktbelastbarkeit max 2 x 8A 
  • Kontakte Nennspannung bis max. Schaltspannung 250/400 VAC
  • Kontakte Max. Schaltleistung      AC1 = 2000VA 
  • Kontakte 1-Phasenmotorlast       AC3 = Betrieb (230VAC) 0,3kW 
  • Kontakte bis max. Schaltleistung AC15  = (230VAC) 400VA
  • Kontakte bis max. Schaltstrom  DC1  = Gleichspannung = 30VDC 8A / 110VDC 0,3A / 220VDC 0,12A  
  • Als Leiterplatten- oder auch Steckrelais mit passender Fassung verwendbar 
  • Ansprech-/Rückfallzeit = 7/3ms 
  • Spannungsfestigkeit offene Kontakte 1000VAC
  • Temperatureinsatzbereich: -40...+85°C 
  • nicht Waschdicht
  • Relais Schutzart: RT-II ( nicht waschdicht ) 
  • Lötfest 260°C (5sek)
  • Ansprech-/Abfallzeit: 7/3ms
  • Mech. Lebensdauer: 10 x 10_6
  • Abmessungen: B:29mm H:25mm T:12,3mm

Zusatzinformation: Neu dieses Relais ist nun auch mit vergoldeten Kontakten (AgNi+AU) erhältlich Bst.Nr.: 47-826-00022

Zusatzinformation zu den Kontakten in der Gebrauchskategorie für Wechselspannung / Gleichspannung  

  • AC1   Angaben IEC60947-4-1 = Ohmsche Lasten, nicht induktive oder schwach induktive Lasten. 
  • AC3   Angaben IEC60947-4-1 = Käfigläufermotoren: Anlassen. Ausschalten während des Laufes 
  • AC15 Angaben IEC60947-5-1 = Steuern von elektromagnetischer Last bei Wechselspannung
  • DC1   Angaben IEC60947-4-1 = Ohmsche Lasten, nicht induktive oder schwach induktive Last 

passendes Zubehör siehe im Zubehör Register ( Beispiele )  

  • Bst Nr 47-827-00060 = Relaisfassung für Platine 
  • Bst Nr 47-827-00050 = Relaaisfassung für Hutschiene ( DIN Rail TS35 Standard ) 
  • Bst Nr 47-827-00020 = Relaaisfassung für Hutschiene ( DIN Rail TS35 Arretierbar )

 

0 von 0 Bewertungen

Durchschnittliche Bewertung von 0 von 5 Sternen

Bewerten Sie dieses Produkt!

Teilen Sie Ihre Erfahrungen mit anderen Kunden.


Produktgalerie überspringen

Zubehör

Rabatt
Relaisfassung für Platine zu 4051 4052 4061 4161 G2R2 usw
Relaisfassung für Platine zu 4051 4052 4061 4161 G2R2 usw

Relaisfassung für Platinen bzw. Leiterplatte  passend für die meisten Standard Steckrelais mit 1xUM oder 2xUM z.B. Finder F4051, F4052, F4061, F4152, F4161 und F4181 uvwm. wie Omron G2R2 etc.  Relaisfassung zum Einbau in gedruckte Schaltung, Platinen, Leiterplatten usw  Anschluss löten auf Platinen = Print Printfassung Isolierkörper aus selbstlöschendem PPEm (V1) Kontaktzungen aus CuSn6 Farbe: Blau Abmessungen: Länge: 31mm B:12,6mm H:9,1mm ( siehe auch Zeichnung weitere Bilder )  Betriebstemperatur -40 °C - 70 °C Raster Längs = 5,0mm / Quer 7,5mm ( siehe weitere Bilder )  Schutzart IP20 Belastbarkeit bis 10A 250/400V ( Rated values 10A 250/400V )  Spannungsfestigkeit bis 6 kV Dielectric strength 6 kV (1.2/50 μs) between coil and contacts Protection category Zulassungen cULus, GOST Verwendung für Relais der Serie F4051, F4052, F4061, F4152, F4161 und F4181 uvwm. wie Omron G2R2 etc.  Optional erhältlich = Relais Metall Halteklammer fals benötigt = Bst Nr 47-827-00070  

Verkaufspreis: 2,00 € Regulärer Preis: 2,50 € (20% gespart)
Relaisfassung für Hutschiene DIN-Schiene zu 4051 4052 4061 4152 4161 4452 4462 usw G2R2
Relaisfassung für Hutschiene DIN-Schiene zu 4051 4052 4061 4152 4161 4452 4462 usw G2R2

Relaisfassung Schraubfassung mit integrierter Schnappbefestigung für DIN-Schiene, sowie Aufnahme für Anzeige- und EMV-Entstörmodule. Sichere Trennung zwischen Spule und Kontakten Hutschienenrelaisfassung für übliche Findersteckrelais der Serien F4051, F4052, F4061, F4152, F4161 uvwm z.B. auch von OMRON G2R2 Für Relais mit 2x Wechsler (UM) Kontakten plus Spule = 8 Pins-, bzw. Steckkontakte passend zu allen typischen 35mm Hutschienen / DIN-Schienen Schraubfassung mit integrierter Schnappbefestigung für DIN-Schiene, sowie Aufnahme für Anzeige- und Entstörmodule. Sichere Trennung zwischen Spule und Kontakten.  Hutschienen-Relaisfassung für übliche Finderrelais der  Serien 4051 4052 4061 4152 4161 4452 4462 usw auch Omron G2R2 Für Relais mit 1 oder 2x Wechsler (UM) Kontakten plus Spule = 8 Pins-, bzw. Steckkontakte.  Abmessungen Länge 81,9mm / B:15,5mm / H:47mm ( siehe Zeichnung )  Farbe: Blau / Schutzart IP20  Umgebungstemperatur -40...+70°C  Belastbarkeit je Kontakt bis : 10A 300Vac Belastbarkeit je Kontakt bis : 12A 150Vac Anschlußart Schraubkontakte : Max. Anschlussquerschnitt wie folgt  Bei eindrähtigen Kabel max 1x6qm oder 2x 2,5qmm  Bei mehrdrähtig Litzen max 1x 4qmm oder 2x 2,5qmm Optional erhältliches Zubehör hierzu  47-827-00215 = 95.71    Haltebügel (Metall)  47-827-00210 = 95.91.3 Haltebügel (Kunsttoff) Variclip” Halte- und Demontagebügel  95.08    Kammbrücke zum Verbinden der A1 oder A2  95.80.3 Bezeichnungsschild für Fassung (Kunststoff, weiss), (7x15) mm  60.72    Bezeichnungsschild-Matte für “Variclip” weiss 72 Schilder, (6x12) mm, zum Bedrucken mit Plotter div Anzeige- und EMV-Entstörmodule z.B.  47-827-00230 = 99.80.3.000.00 = Freilaufdiode (+ an Klemme A1 ) ohne LED  47-827-00240 = 99.80.9.024.99 = grüne LED + Freilaufdiode (+ an Klemme A1) für Einsatz ( 6...12...24V DC)   99.80.9.060.99 = grüne LED + Freilaufdiode (+ an Klemme A1) für Einsatz ( 28...48..60V DC)   99.80.0.024.98 = grüne LED Anzeige mit Überspannungs-Varistor für Einsatz ( 6..12..24V DC/AC)   99.80.0.060.98 = grüne LED Anzeige mit Überspannungs-Varistor für Einsatz ( 28..48..60V DC/AC)   99.80.0.230.98 = grüne LED Anzeige mit Überspannungs-Varistor für Einsatz ( 110..240V DC/AC)  99.80.0.024.09 = EMV Entstörmodule RC-Modul für Einsatz ( 6..12..24V DC/AC )   99.80.0.060.09 = EMV Entstörmodule RC-Modul für Einsatz ( 28..48..60V DC/AC )   99.80.0.230.09 = EMV Entstörmodule RC-Modul für Einsatz ( 1106...240V DC/AC )   Zeitmodule gibt es zu dieser Fassung nicht

Regulärer Preis: Ab 6,65 €
Nur 2 auf Lager!
Rabatt
Relaisfassung für Hutschiene DIN-Schiene zu 4051 4052 4061 4152 4161 4452 4462 usw G2R2
Relaisfassung für Hutschiene DIN-Schiene zu 4051 4052 4061 4152 4161 4452 4462 usw G2R2

Relaisfassung Schraubfassung mit integrierter Schnappbefestigung für DIN-Schiene, sowie Aufnahme für Anzeige- und EMV-Entstörmodule. Sichere Trennung zwischen Spule und Kontakten Hutschienenrelaisfassung für übliche Findersteckrelais der Serien F4051, F4052, F4061, F4152, F4161 uvwm z.B. auch von OMRON G2R2 Für Relais mit 2x Wechsler (UM) Kontakten plus Spule = 8 Pins-, bzw. Steckkontakte passend zu allen typischen 35mm Hutschienen / DIN-Schienen Schraubfassung mit integrierter Schnappbefestigung für DIN-Schiene, sowie Aufnahme für Anzeige- und Entstörmodule. Sichere Trennung zwischen Spule und Kontakten.  Hutschienen-Relaisfassung für übliche Finderrelais der  Serien 4051 4052 4061 4152 4161 4452 4462 usw auch Omron G2R2 Für Relais mit 1 oder 2x Wechsler (UM) Kontakten plus Spule = 8 Pins-, bzw. Steckkontakte.  Abmessungen L: 81,9mm / B:15,5mm / H:64,8mm ( siehe Zeichnung )  Farbe: Blau / Schutzart IP20  Umgebungstemperatur -40...+70°C  Belastbarkeit je Kontakt bis : 10A 300Vac Belastbarkeit je Kontakt bis : 12A 150Vac Anschlußart Schraubkontakte : Max. Anschlussquerschnitt wie folgt  Bei eindrähtigen Kabel max 1x6qm oder 2x 2,5qmm  Bei mehrdrähtig Litzen max 1x 4qmm oder 2x 2,5qmm Optional erhältliches Zubehör hierzu 47-827-00215 = 95.71    Haltebügel (Metall) 47-827-00210 = 95.91.3 Haltebügel (Kunsttoff) Variclip” Halte- und Demontagebügel  95.08    Kammbrücke zum Verbinden der A1 oder A2  95.80.3 Bezeichnungsschild für Fassung (Kunststoff, weiss), (7x15) mm  60.72    Bezeichnungsschild-Matte für “Variclip” weiss 72 Schilder, (6x12) mm, zum Bedrucken mit Plotter div Anzeige- und EMV-Entstörmodule z.B.  47-827-00230 = 99.80.3.000.00 = Freilaufdiode (+ an Klemme A1 ) 47-827-00240 = 99.80.9.024.99 = grüne LED + Freilaufdiode (+ an Klemme A1) für Einsatz ( 6...12...24V DC)   99.80.9.060.99 = grüne LED + Freilaufdiode (+ an Klemme A1) für Einsatz ( 28...48..60V DC)   99.80.0.024.98 = grüne LED Anzeige mit Überspannungs-Varistor für Einsatz ( 6..12..24V DC/AC)   99.80.0.060.98 = grüne LED Anzeige mit Überspannungs-Varistor für Einsatz ( 28..48..60V DC/AC)   99.80.0.230.98 = grüne LED Anzeige mit Überspannungs-Varistor für Einsatz ( 110..240V DC/AC)  99.80.0.024.09 = EMV Entstörmodule RC-Modul für Einsatz ( 6..12..24V DC/AC )   99.80.0.060.09 = EMV Entstörmodule RC-Modul für Einsatz ( 28..48..60V DC/AC )   99.80.0.230.09 = EMV Entstörmodule RC-Modul für Einsatz ( 1106...240V DC/AC )   Zeitmodule gibt es zu dieser Fassung nicht Passende Relais und Zubehör hierzu finden Sie unter der Rubrik Zubehör 

Verkaufspreis: 7,00 € Regulärer Preis: 10,55 € (33.65% gespart)
Produktgalerie überspringen

Ähnliche Artikel

Nur 1 auf Lager!
Rabatt
230V Relais für AC oder DC mit 2xWechsler je 8A DIN Hutschienen ABB
230V Relais für AC oder DC mit 2xWechsler je 8A DIN Hutschienen ABB

230V Relais geeignet für AC oder DC. Relaismodul mit 2-poligem Wechslerkontakt 5/8A  und SATUS LED Anzeige DIN-Schiene Hutschiene  230V Relaismodul mit integrierter Status LED 2-poliger Wechsler Kontaktbelastbarkeit jeweils 5/8A  Montage Befstigung an 35mm DIN-Schiene Hutschiene  Schraubklemmeanschluss Grüne LED-Statusanzeige  Universal-Relais für elektrische Signalanpassung zwischen  der elektronischen Steuer , z.B. Speicherprogrammierbare  Steuerung, PC oder Feldbus, Systeme und der Sensor / Aktor-Ebene  kompakte Bauweise und Anschlussklemmen. Technische Daten: Eingangsspannung  230V-AC oder 230V-DC Einsatzbereich Range Eingang ( 200-253V AC oder 195...253VDC )  Verbrauch-Spule = 1,15W = 5mA  Schaltverhalten des Antriebs = monostabil üblichst  Kontakte: 2-poliger Wechsler ( 2x UM siehe auch Plan weitere Bilder )  Relaiskontakt Laststrom jeweils 5A  ( Peak 8A )  1mA...8A Belastbarkeit der Kontakte je 1500VA ( AC1 ) or 192W ( DC1 )  Relaiskontakte für Einsatz im Spannungsbereich  5V...12V...24V...48V...250V AC or DC  Isolation: 4000V RMS  Montage Typ    DIN-Schienen Hutschiene TS35  Anschluss Schraubkontakte 0,2...2,5qmm  Betriebstemperaturbereich -20°C .....+70°C Einschaltzeit    6ms / Abschaltzeit    15ms Schutzgrad IP20 NEMA1  Abmessungen    70 x 12 x 75mm Länge 70mm  / Tiefe    12mm / Höhe    75mm

Verkaufspreis: 42,90 € Regulärer Preis: 60,00 € (28.5% gespart)
Rabatt
230V Relais AC Spule 1xUM SPDT 1xWechsler 16A 250V 4661-Serie Flachsteckhülse
230V Relais AC Spule 1xUM SPDT 1xWechsler 16A 250V 4661-Serie Flachsteckhülse

230V Relais AC Spule mit 4,8mm Flachsteckhülsen sowie 1xWechsler 16A 250V  Serie 4661 220VAC Relais mit Kontakten über 4,8mm Flachsteckhülsen ( Faston-Anschlüsse ) oder Montage in passender Fassungen Anschlüsse Relais 4,8mm x 0,5mm Flachsteckhülse oder löten oder Steckfassung Pin 4+3 = Schliesserkontakt / Pin 4+2 = Öffnerkontakt ( siehe auch Zeichnung weitere Bilder )  Technische Daten: Industrie-Miniatur-Relais mit 4,8mm Steckanschlüssen 230VAC Spulen für AC und DC sensitiv (500mW) blockierbare Prüftaste und mechanische Anzeige Anschlüsse Relais 4,8mm x 0,5mm Flachsteckhülse oder löten oder Steckfassung Spule 230VAC mit 5mA = 28KOhm ( Range 184...253VAC) Sichere Trennung zwischen Spule und Kontaktsatz   nach EN 50178, EN 60204 und EN 60335 6kV (1,2/50us), 8mm Luft- und Kriechstrecke Kontaktmaterial Standard AgNi  Ansprech-/Rückfallzeit 15ms / 5ms  Potentialfreier Wechslerkontakt integriert  1xUM = 1x Wechsler 16A 230VAC ( Kurzfristig 25A) Schaltleistung AC-1 = max. 4000VA Schaltleistung AC-1 = max. 4000VA Schaltleistung AC-15 = max. 750VA Schaltleistung DC-1 = max. 12A bis 30VDC  Relaisschutzart : RT-II Überspannungskategorie III Spannungsfestigkeit 2000VAC EMV - Störfestigkeit des Ansteuerungskreises (Spule) Burst A1-A2 = Klasse-4 ( 4kV ) Schockfestigkeit 20g Wärmeabgabe an die Umgebung 0,6-2W Betriebstemperaturbereich: -40...+70°C Abmessungen: H: 32,8mm B: 12,4mm T: 29mm ( siehe auch ewitere Bilder Zeichnung )   Optional erhältlich hierzu ( siehe im Zubehör-Register ) :  4,8mm Flachsteckhülsen   

Verkaufspreis: 13,90 € Regulärer Preis: 18,95 € (26.65% gespart)
Rabatt
230V Relais AC Spule 1xUM SPDT 1xWechsler 16A 250V Silberkontakte 4061-Serie
230V Relais AC Spule 1xUM SPDT 1xWechsler 16A 250V Silberkontakte 4061-Serie

230V Steckrelais für Hutschienenfassung oder auch für Leiterplatten verwendbar 8 Pins bzw. Kontakten, aber nur 1x Wechsler = 1xUM = SPDT Spule: 230V (AC) Spule: 27 Kohm 8,5mA Kontakt: 1x UM = 1x Wechslerkontakt = SPDT Kontaktbelastbarkeit: bis 16A 250VAC bis 4000VA Kontaktmaterial: AgCdO = Silber-Cadmium Spannungsfestigkeit offene Kontakte 1000VAC Temperatureinsatzbereich: -40...+85°C nicht Waschdicht Abmessungen: B:29mm H:25mm T:12,3mm Passende Print- oder Hutschienenfassungen siehe (Zubehör-Register) Bitte beachten Sie auch das Zubehör-Register zu diesem Relais ( Hutschienen-Fassung erhältlich für den Reiheneinbau )

Verkaufspreis: 9,90 € Regulärer Preis: 13,95 € (29.03% gespart)
Finder 4052 230V Relais
230V Relais AC Spule 2xUM DPDT 2xWechsler Kontakte je 8A 250V 4052 Silberkontakte

230V Relais Leiterplatten oder auch als Steckrelais verwendbar ( 2xUM = 2x Wechslerkontakte )  230V Relais (AC Spule)  8 Pins bzw. Kontakte (2x Spule 6x für Wechsler) Spule: 230V Einsatzbereich 184...253VAC 50Hz  Spule: 27kOhm Strom: 5mA (Nenn) max. 8,5mA Kontakte 2x Wechsler = 2xUM Kontaktmaterial: AgNI = Silber-Nickel Kontaktbelastbarkeit je Kontakt: 2 Wechslerkontakten ( 2x Schliesser und 2x Öffner )  Kontaktbelastbarkeit max 2 x 8A  Kontakte Nennspannung bis max. Schaltspannung 250/400 VAC Kontakte Max. Schaltleistung      AC1 = 2000VA  Kontakte 1-Phasenmotorlast       AC3 = Betrieb (230VAC) 0,3kW  Kontakte bis max. Schaltleistung AC15  = (230VAC) 400VA Kontakte bis max. Schaltstrom  DC1  = Gleichspannung = 30VDC 8A / 110VDC 0,3A / 220VDC 0,12A   Als Leiterplatten- oder auch Steckrelais mit passender Fassung verwendbar  Ansprech-/Rückfallzeit = 7/3ms  Spannungsfestigkeit offene Kontakte 1000VAC Temperatureinsatzbereich: -40...+85°C  nicht Waschdicht Relais Schutzart: RT-II ( nicht waschdicht )  Lötfest 260°C (5sek) Ansprech-/Abfallzeit: 7/3ms Mech. Lebensdauer: 10 x 10_6 Abmessungen: B:29mm H:25mm T:12,3mm Zusatzinformation: Neu dieses Relais ist nun auch mit vergoldeten Kontakten (AgNi+AU) erhältlich Bst.Nr.: 47-826-00022 Zusatzinformation zu den Kontakten in der Gebrauchskategorie für Wechselspannung / Gleichspannung   AC1   Angaben IEC60947-4-1 = Ohmsche Lasten, nicht induktive oder schwach induktive Lasten.  AC3   Angaben IEC60947-4-1 = Käfigläufermotoren: Anlassen. Ausschalten während des Laufes  AC15 Angaben IEC60947-5-1 = Steuern von elektromagnetischer Last bei Wechselspannung DC1   Angaben IEC60947-4-1 = Ohmsche Lasten, nicht induktive oder schwach induktive Last  passendes Zubehör siehe im Zubehör Register ( Beispiele )   Bst Nr 47-827-00060 = Relaisfassung für Platine  Bst Nr 47-827-00050 = Relaaisfassung für Hutschiene ( DIN Rail TS35 Standard )  Bst Nr 47-827-00020 = Relaaisfassung für Hutschiene ( DIN Rail TS35 Arretierbar )  

Regulärer Preis: 13,50 €