Zum Hauptinhalt springen Zur Suche springen Zur Hauptnavigation springen
schneller Versand
Telefonische Beratung
Rufen Sie gerne an
Rechnungszahlung für Firmen/Behörden
Telefon: +49 (0)7362 - 919093

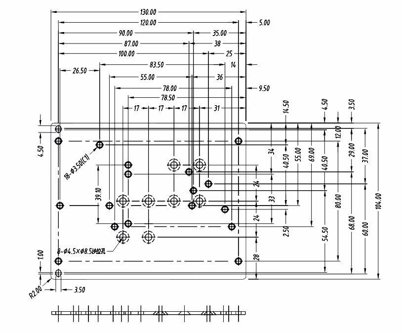
Montageplatte zu Schaltnetzteilen Universal 130x104mm

Produktinformationen "Montageplatte zu Schaltnetzteilen Universal 130x104mm"

Montageplatte für Schaltnetzteile universell verwendbar

  • Montageplatte Abmessungen: 130x104mm
  • Materialstärke: 2mm
  • 27 Bohrungen zur Befestigung von Netzteile o.ä.
  • Material: Aluminium
  • Zeichnung zu Bohrungen siehe weitere Bilder
  • passender Halteclip für Hutschienen = optional = Bst Nr 93-808-03200
  • Siehe auch unten im Zubehör-Register

0 von 0 Bewertungen

Durchschnittliche Bewertung von 0 von 5 Sternen

Bewerten Sie dieses Produkt!

Teilen Sie Ihre Erfahrungen mit anderen Kunden.


Produktgalerie überspringen

Zubehör

Nur 8 auf Lager!
Rabatt
Hutschiene DIN-Schiene ungelocht 500mm B 35mm
Hutschiene DIN-Schiene ungelocht 500mm B 35mm

Hutschiene Trageschiene DIN-Schiene Montageschiene Eine der üblichste Montageschiene in Schaltschränken ungelochte Ausführung verzinkt  Trageschiene ungelocht 35mm breit (unten 21mm x 7,5mm Höhe ) Tragschiene DIN EN50022 / EN 60715 / EN 50022  Material verzinkt, sendzimirverzinkt Lochung: Nein  Werkstoff Stahl Materialstärke 1mm    Länge: 500mm Breite: 35mm (oben) Breite: 21mm (unten) Bauhöhe 7,5mm 

Verkaufspreis: 2,80 € Regulärer Preis: 3,95 € (29.11% gespart)
Rabatt
Hutschiene DIN-Schiene gelocht 500mm B 35mm
Hutschiene DIN-Schiene gelocht 500mm B 35mm

Hutschiene Trageschiene DIN-Schiene Montageschiene Eine der üblichste Montageschiene in Schaltschränken gelochte Ausführung verzinkt  Trageschiene gelocht 35mm breit (unten 21mm x 7,5mm Höhe ) Tragschiene DIN EN50022 / EN 60715 / EN 50022  Material verzinkt, sendzimirverzinkt Lochung: Ja = gelocht ( 5,2x18mm / 6,2x15mm ) Werkstoff Stahl Materialstärke 1mm    Länge: 500mm Breite: 35mm (oben) Breite: 21mm (unten) Bauhöhe 7,5mm 

Verkaufspreis: 2,95 € Regulärer Preis: 3,95 € (25.32% gespart)
> 500 lagernd
DIN Schienen Hutschienenclip 45mm Clip
DIN Schienen Hutschienenclip 45mm Clip

Hutschienen Universal Halteclip 45mm breit mit 3 Bohrungen. Passend zu sehr vielen Schaltnetzteilen div. Hersteller und Baugruppen sowie Schaltungsgehäusen usw. Universell vewendbar. Hutschienen Universal Halteclip 45mm breit 1x 4mm Befestigungsbohrungen und 2x M4 Gewinde Abstand der Bohrungen jeweils zueinander = 17mm (je Mitte/Mitte 0-17-34mm). Abm.: B: 45mm x H: 48mm Materialstärke: 2,5mm Material: Aluminium passend fü alle 35mm Hutschienen ( die üblichste DIN Schienen )  Optional erhältlich ( siehe unten im Zubehör-Register ) Bst Nr 93-808-03240 = Montageplatte passend zu diesem DIN Clip Halter Bst Nr 42-691-00010 = 35mm Hutschiene Länge  500mm = 0,5m  Bst Nr 42-691-00015 = 35mm Hutschiene Länge 1000mm = 1m 

Regulärer Preis: Ab 1,99 €