Zum Hauptinhalt springen Zur Suche springen Zur Hauptnavigation springen
schneller Versand
Telefonische Beratung
Rufen Sie gerne an
Rechnungszahlung für Firmen/Behörden
Telefon: +49 (0)7362 - 919093

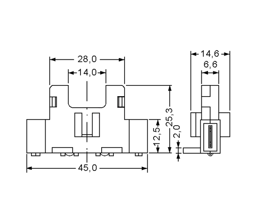
Sicherungshalter anreihbar für ATC Sicherungen KFZ Sicherungen

Produktinformationen "Sicherungshalter anreihbar für ATC Sicherungen KFZ Sicherungen"

Sicherungshalter anreihbar für KFZ Flachstecksicherungen = ATC Sicherungen ( ATC Fuse )

  • Halter anreihbar
  • Einsatzbereich typisch 12V oder 24V
  • Sicherungshalter für KFZ Stecksicherungen ( übliche ATC Fuse)
  • Kabelanschluss beidseitig für 6,3mm Flachsteckhülsen
  • Lieferung ohne KFZ Sicherung dies dient nur der Darstellung
  • Abmessungen siehe auch Zeichnung weitere Bilder
  • Abmessungen: L: 45mm H:26mm B: 7,5mm
  • Breite mit Fuss und Anreih-Schwalbenschwanz = 17,5mm
  • Befestigungslöcher Durchmesser: 3,5mm
  • Sicherung nicht im Lieferumfang enthalten ( siehe im Zubehör-Register )

0 von 0 Bewertungen

Durchschnittliche Bewertung von 0 von 5 Sternen

Bewerten Sie dieses Produkt!

Teilen Sie Ihre Erfahrungen mit anderen Kunden.


Produktgalerie überspringen

Zubehör

Rabatt
ATC KFZ Sicherungen Sortiment ATC 19x5mm 66-teilig in 8Werte Stecksicherungen mit Sicherungszieher
ATC KFZ Sicherungen Sortiment ATC 19x5mm 66-teilig in 8Werte Stecksicherungen mit Sicherungszieher

ATC KFZ Autosicherungen im Sortierkasten 66 Stecksicherungen in einem Fächerkasten  Wohl die üblichste KFZ Sicherung überhaupt KFZ-Flachsicherung bzw. KFZ-Stecksicherungen  Beinhaltete Werte 3A / 5A / 7,5A / 10A / 15A / 20A / 25A / 30A Typischer Einsatz 12V 24V bei KFZ, PKW, LKW, Bus, Traktor, Wohnmobil, Roller, Motorrad usw.  Abmessungen je Sicherung der ATC Sicherungen 19x5mm Höhe : 19,7...20mm ( siehe auch Zeichnung weitere Bilder )  Box mit 66-Stück KFZ Sicherungen und einem Zieher Sicherungszieher für den schnellen Wechsel  je 6x 3A / 6x5A / 6x7,5A / 10x10A / 10x15A / 10x20A / 10x25A / 8x30A = 66 Stück in praktischer Klarsicht Sortimentsbox  

Inhalt: 66 Stück (0,12 € / 1 Stück)

Verkaufspreis: 7,95 € Regulärer Preis: 13,95 € (43.01% gespart)
5A KFZ Sicherung ATC Beige Hellbraun
5A KFZ Sicherung ATC Beige Hellbraun

KFZ Stecksicherung bzw. ATC Flachsteck Sicherung Abmessungen ca.: B:19mm T:5mm H:12,5mm  Höhe mit Kontakten ca. 19mm Kontaktklingen: 5,3mm 0,6mm Abstand Mitte: 4,0mm Weiteres Zubehör wie Sicherungs-Halter, Verbinder usw. siehe (Zubehör-Register)

Regulärer Preis: Ab 0,18 €
10A KFZ Sicherung ATC Rot
10A KFZ Sicherung ATC Rot

KFZ Stecksicherung bzw. ATC Flachsteck Sicherung Abmessungen ca.: B:19mm T:5mm H:12,5mm  Höhe mit Kontakten ca. 19mm Kontaktklingen: 5,3mm 0,6mm Abstand Mitte: 4,0mm Weiteres Zubehör wie Sicherungs-Halter, Verbinder usw. siehe (Zubehör-Register)

Regulärer Preis: Ab 0,18 €
Rabatt
ATC KFZ Sicherungen Sortiment ATC 19x5mm 120-teilig in 8Werte Stecksicherungen
ATC KFZ Sicherungen Sortiment ATC 19x5mm 120-teilig in 8Werte Stecksicherungen

ATC / ATO KFZ Autosicherungen im Sortierkasten 120 Stecksicherungen in einem Fächerkasten. Wohl die üblichste KFZ Sicherung überhaupt 120-Stück KFZ-Flachsicherung bzw. KFZ-Stecksicherungen komplett mit einem Sicherungszieher. Beinhaltete Werte 3A / 5A / 7,5A / 10A / 15A / 20A / 25A / 30A Typischer Einsatz 12V 24V bei KFZ, PKW, LKW, Bus, Traktor, Wohnmobil, Roller, Motorrad usw.  Abmessungen je Sicherung der ATC Sicherungen 19x5mm Höhe : 19,7...20mm ( siehe auch Zeichnung weitere Bilder )  Abmessungen der Box 133 x 83 x 29 mm   Weiteres Zubehör wie Sicherungshalter usw. siehe (Zubehör-Register)

Inhalt: 120 Stück (0,08 € / 1 Stück)

Verkaufspreis: 9,80 € Regulärer Preis: 14,95 € (34.45% gespart)
Produktgalerie überspringen

Ähnliche Artikel

Neu
Sicherungshalter 6-fach für KFZ ATC Sicherungen mit Status-LED Aufkleber und 12 ATC Sicherungen
Sicherungshalter 6-fach für KFZ ATC Sicherungen mit Status-LED Aufkleber und 12 ATC Sicherungen

6-fach Sicherungshalter für KFZ Flachstecksicherungen = ATC Sicherungen ( ATC Fuse ) 6-fach Sicherungshalter für KFZ Flachsteck Sicherungen ( ATC / ATO Fuse ) Dieses modulare System ermöglicht es ihnen individuelle Stromverteiler und Sicherungshalterkombinationen 6-fach Sicherungshalter bzw. Sicherungsverteiler für KFZ Flachsteck Sicherungen ( übliche ATC / ATO Fuse )Dieses tolle Sicherungssystem ermöglicht es ihnen individuelle Stromverteiler und Sicherungshalterkombination für jedes Fahrzeug, Caravan, Wohnmobil, LKW, Traktor, Boot, Gartenhaus aufzubauen. Einsatzbereich typisch 12V oder 24V Sicherungshalter für KFZ Sicherungen (übliche ATC Fuse) Kabelanschluss beidseitig Schraubkontakt für Ringschuhe oder U-Schuhe + und - Batterieanschluß über M5 Schraubkontakt 3mm Status LED für Sicherung max. 100A Gesamtbelastbarkeit Spannung typisch 6V 12V 24V max. 32Volt DC Betriebsspannung max. 30 Amp pro Sicherung Abmessungen siehe auch Zeichnung weitere Bilder Abmessungen gesamt : B: 88mm x 88mm H: 37mm Befestigungsbohrungen : 70x73mm Temperatur-Einsatzbereich -40 bis +105 Grad Celsius Die Lieferung erfolgt mit auf den Fotos abgebildeten ATC Sicherungen LIEFERUMFANG 1x Sicherungshalter 6-fach mit Klarsichtabdeckung 6x ATC Sicherungen 2x20A + 2x15A + 1x10A + 1x5A 4x Schrauben 1x Aufkleberbogen für die Beschriftung

Regulärer Preis: 19,99 €
Tipp
Neu
Sicherungshalter 12-fach für KFZ ATC Sicherungen mit Status-LED Aufkleber und 12 ATC Sicherungen
Sicherungshalter 12-fach für KFZ ATC Sicherungen mit Status-LED Aufkleber und 12 ATC Sicherungen

12-fach Sicherungshalter für KFZ Flachstecksicherungen = ATC Sicherungen ( ATC Fuse ) 12-fach Sicherungshalter für KFZ Flachsteck Sicherungen (ATC / ATO Fuse) Dieses modulare System ermöglicht es ihnen individuelle Stromverteiler und Sicherungshalterkombinationen 12-fach Sicherungshalter bzw. Sicherungsverteiler für KFZ Flachsteck Sicherungen ( übliche ATC / ATO Fuse )Dieses tolle Sicherungsystem ermöglicht es ihnen individuelle Stromverteiler und Sicherungshalterkombination für jedes Fahrzeug, Caravan, Wohnmobil, LKW, Traktor, Boot, Gartenhaus aufzubauen. Einsatzbereich typisch 12V oder 24V Sicherungshalter für KFZ Sicherungen ( übliche ATC Fuse ) Kabelanschluss beidseitig Schraubkontakt für Ringschuhe oder U-Schuhe + und - Batterieanschluß über M5 Schraubkontakt 3mm Status LED für Sicherung max. 100A Gesamtbelastbarkeit Spannung typisch 6V 12V 24V max. 32Volt DC Betriebsspannung max. 30 Amp pro Sicherung Abmessungen siehe auch Zeichnung weitere Bilder Abmessungen gesamt : B: 85mm L: 123mm H: 38mm Befestigungsbohrungen : 123x70mm Temperatur-Einsatzbereich -40 bis +105 Grad Celsius Die Lieferung erfolgt mit auf den Fotos abgebildeten ATC Sicherungen LIEFERUMFANG 1x Sicherungshalter 12-fach mit Klarsichtabdeckung 12x ATC Sicherungen 3x20A, 3x15A, 3x10A, 3x5A4x Schrauben  1x Aufkleberbogen für die Beschriftung

Regulärer Preis: 29,99 €
Sicherungshalter 15A Rot für ATC Sicherung für Niederspannung
Sicherungshalter 15A Rot für ATC Sicherung für Niederspannung

KFZ Sicherungshalter mit ca. 20 cm Anschlusskabel für Stecksicherung vom Typ ATC / ATO ( Flachstecksicherungen ) Einsatzbereich typisch 12V oder 24V bedingt auch 36V Inklusive 7,5A ATC Stecksicherung Fassung Belastbarkeit bis 15/16A Feuchtefeste Ausführung mit Schutzdeckel Abmessungen ca.: B:28mm H:45mm T:11mm Kabellitze 1,5qmm Kabeldurchmesser: 4,0mm Aussendurchmesser Lieferung mit 7,5A ATC Sicherung Weiteres Zubehör wie Sicherungen, Verbinder usw. siehe (Zubehör-Register)

Regulärer Preis: Ab 1,18 €