12V Zeitschaltuhr Einbauuhr Hutschiene bis 3500W Zeitrelais
39,95 €
% 49,99 € (20.08% gespart)
Sofort verfügbar, Lieferzeit: 2-3 Tage
Produktinformationen "12V Zeitschaltuhr Einbauuhr Hutschiene bis 3500W Zeitrelais"
12V Zeitschaltuhr 12Volt Version Digitale Präzision im KFZ, Caravan, Schaltschrank, Gartenhaus, Fischerhütte, Jagdhaus usw.
- Zeitgenaues automatisches schalten jedes beliebigen elektronischen Verbrauchers
- Beispiele: Lampen, Pumpen, Ventilatoren automatische Nachtbeleuchtung usw.
- Integriertes LCD-Display
- manueller, oder vollautomatischer Betrieb
- 16 Verschiedene, individuelle Zeitfenster programmierbar
- Jedes Zeitfenster hat einen Einschaltzeitpunkt und einen Ausschaltzeitpunkt ( on / off ).
- Tagesprogramm + Wochenprogramm + frei wählbare (und programmierbare) Einzeltage (oder Blockbildung: Mo-Fr, Sa-So, usw.)
- kleinste Schaltzeit: 1 Minute
- auswechselbare Batterie ( Gangreserve bei Stromausfall )
- schaltbar auch manuel per Taste
- Durch Drücken der „AUTO/MANU“ Taste können Sie ihre Verbraucher auch manuell einschalten ( ON ), ausschalten ( OFF ), oder automatisch durch die Zeiteinstellungen regeln lassen ( AUTO ).
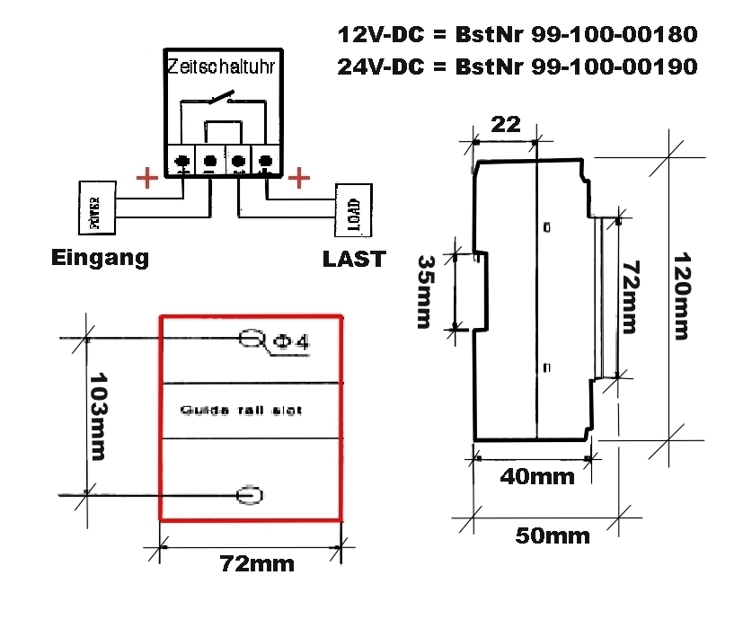
- Hutschienenbefestigung oder Schraubbefestigung möglich ( siehe auch weitere Bilder )
Technische Daten
- Spannungsversorgung: 12V ( 11-16V ) DC Gleichspannung 
- Schaltkontakt: 1x Schliesser ( Ein-Aus = siehe auch weitere Bilder )
- Kontakt-Belastbarkeit des integrierten Relais bis 25A bis 3500W
- Relaiskontakt geeignet für 12V 24V 36V 48V DC oder auch 230V AC
- Montage auf Hutschiene 35mm Standard DIN-Schiene
- oder auch nur AP-Schraubbefestigung möglich
- Zeitschaltung: 1 Minute bis 168 Stunden
- Kabeleinlaß 4x5mm für Kabellage 0,75...8qmm
- Eigenverbrauch < 5W
- Betriebstemperatur: -10°C bis 50°C
- Zeitungenauigkeit: +/- 2 Sekunden pro Tag (bei etwa 25°C)
- Relative Luftfeuchtigkeit: 95%
- Maße: 120 x 72 x 50 mm
- Gewicht: 210 g
- Batterie für Gangreserve ( Stromausfall ) integriert und austauschbar ( 1x AA Mignon )
Diese Niederspannung-Zeitschaltuhr gibt es in zwei Ausführungen :
- Bst Nr 99-100-00180 = 12Volt Zeitschaltuhr
- Bst Nr 99-100-00190 = 24Volt Zeitschaltuhr
Optionales Zubehör hierzu erhältlich ..... z.b. für ihre Stromverteilung ... und je nach Querschnitt der verwendeten Kabellage z.B.
- Art-Nr 31-843-00010 = Sicherungshalter für AGU Fuse 1-fach für Kabel bis 25qmm
- Art-Nr 31-842-00430 = 30A AGU Sicherung
- Art-Nr 39-400-00071 = Verteilerblock 5-fach für Kabel bis 20qmm 4x10qmm - vergoldet -
- Art-Nr 39-400-00025 = Verteilerblock 6-fach für Kabel bis 20qmm 4x10qmm - vergoldet -
- Alternativ
- Art-Nr 31-843-00170 = Sicherungshalter für ATC Flachstecksicherungen Anreih-Halter KFZ 5-fach
0 von 0 Bewertungen
Durchschnittliche Bewertung von 0 von 5 Sternen
Anmelden
Ähnliche Artikel
 
                                                
                            
                                                            
                
                                                            Multifunktionales Zeitrelais bzw. Relaismodul ( Bausatz zum löten ) Beschreibung: 14 verschiedene Funktionen : Timer, schalten, blitzen, blinken, Intervall, willkürlich schalten, ... Zwei vorprogrammierte Verzögerungszeiten Lernmodus für Verzögerungen von 2 Sekunden bis zu 12 Tagen. Tastersteuerung ( Taster Eingang über Klemmen ) EEPROM zur Aufbewahrung von Verzögerungszeiten während Stromausfalls Entstörfilter für Relaiskontakte. Potentialfreier Relaiskontakt = 1x Wechsler ( NO / NC ) Eignet sich zur Steuerung von Lüftern, Glühlampen, Halogenlampen, Fluoreszenzlampen, Ventilatoren, Ventilen, Buzzern,… Zeitgeber mit 14 unterschiedlichen Schaltprogrammen. Schaltzeiten von 2 Sekunden bis 288h = max. 12Tage Zeiten bleiben durch ein EEPROM gespeichert Leuchtdiode als Einschaltkontrolle Einsatzgebiete: z.B. als: Start/Stopp Timer, Momentkontakt, Einschaltverzögerung, Timer mit Neustartsicherung, Ausschaltverzögerung, Lüftersteuerung, Zeitrelais mit Steuereingang, Intervalltimer, Blinkautomat, Treppenhausautomat, Willkürlich ein-aus mit Lernfunktion uvm. Universeller Zeitgeber mit Relaisausgang und 14 unterschiedlichen Schaltprogrammen (wählbar über DIP-Schalter) Timer, schalten, blitzen, Intervall, willkürlich schalten, ... Technische Daten: Eingang: Taster mit parallel liegendem Schaltkontakt Ausgang: Potentialfreier Relaiskontakt Laststrom: max. 2,5A (ca. 500W am Netz) Spannungsversorgung: 9-12VAC oder 12VDC Abmessungen: 87x39x26mm Achtung: Bei diesem Produkt handelt es sich um einen Elektronik-Bausatz welcher noch zusammengebaut werden muss. Hierfür sind Lötkenntnisse erforderlich! Es sind alle benötigten Platinenbauteilevorhanden sowie ein Bau-/Bestückungsplan. Der untere abgebildete Schaltplan kann Zubehörartikel zeigen, welche nicht mitgeliefert werden. Die originale 1. Abbildung zeigt den fertig zusammengebauten Bausatz mit seinen ganzen mitgeliefertenBauteilen.Hinweis:Produktfotos in unserem Shop zeigen nicht zwingend den Lieferumfang. Wir liefern die Ware mit dem vom Lieferanten beschriebenen Zubehör. Artikeldetails entnehmen sie bitte den jeweiligen Artikelbeschreibungen.Zusätzliche Information zur Zeiteinstellung LERNFUNKTION: Die Lernfunktion ermöglicht die Festlegung von zwei Zeitverzögerungen zwischen 2s und 12 Tagen. Diese Verzögerungen werden delay-1 und delay-2 genannt. Bei Verlassen wird delay-1 auf 3 Minuten eingestellt und delay-2 auf 30 Minuten. Alle Funktionen verwenden delay-1 als Zeitverzögerung, es sei denn, die Funktion verwendet beide oder keine einzige Zeitverzögerung. Sie können beide Zeiten mittels der Lernfunktion nach Belieben anpassen. Die neuen gelernten Zeiten werden in einem EEPROM gespeichert und bleiben bei einer Stromunterbrechung gespeichert. Erst wird delay-1 gespeichert: Drücken Sie kurz auf den Platinen-Druckknopf. Die Belastung blinkt 1 x und bleibt danach ständig eingeschaltet. Das Registrieren der verstrichenen Zeit beginnt. Warten Sie bis die gewünschte Zeit verstrichen ist. Drücken Sie wiederum kurz auf den Platinen-Druckknopf, um das Registrieren zu beenden. Die Belastung wird ausgeschaltet. Die Belastung wird 1 x blinken. Um die registrierte Zeit zu bestätigen, müssen Sie den Platinen-Druckknopf innerhalb von 5 Sekunden nach der Beendigung des Registrierens kurz eindrücken. Die Belastung wird 1 x zur Bestätigung blinken. Danach speichern Sie delay2: Drücken Sie kurz auf den Platinen-Druckknopf. Die Belastung blinkt 2 x und bleibt danach ständig eingeschaltet. Das Registrieren der verstrichenen Zeit beginnt. Warten Sie bis die gewünschte Zeit verstrichen ist. Drücken Sie wiederum kurz auf den Platinen-Druckknopf, um das Registrieren zu beenden. Die Belastung wird ausgeschaltet. Die Belastung wird 2 x blinken. Um die registrierte Zeit zu bestätigen, müssen Sie den Druckknopf innerhalb von 5 Sekunden nach der Beendigung des Registrierens kurz eindrücken. Die Belastung wird 2 x zur Bestätigung blinken. Tipp: Falls Sie delay-2 eine neue Zeit ‘lernen’ lassen wollen ohne dabei jedoch delay-1 anzupassen, dann halten Sie sich an die normale Vorgehensweise, aber bestätigen delay1 nach dem Registrieren nicht. Danach fahren Sie dann ganz einfach mit delay-2 fort.
 
                                                
                            
                                                            
                
                                                            Timer, Zeitsteuerung bzw. Zeitschalter ca. 2 Sek. bis 23 Min. Schaltet mit dem eingebauten Relaiskontakt 1 x EIN (max. 3 A) andere Geräte nach Tastendruck ein und nach der eingestellten Zeit automatisch wieder aus. Mit einem Tastendruck auf den zweiten Taster kann der Zeitablauf jederzeit gestoppt werden. Zum Betrieb sind noch 2 Tastschalter erforderlich. Technische Daten: Betriebsspannung: 12 - 15V (DC) Stromaufnahme: ca. 20 mA / 80 mA (Relais Aus / Ein) Einstellbare Zeit: ca. 2 Sek. .... 23 Min (± 30 %) Anschluss über Flachstecker am Modul Anzeigen 2 = (1 x LED Betriebsspannung, 1 x LED Relais "EIN") Relaiskontakt: 1x EIN max. 3 A max. 25V Der eingebaute Relaiskontakt kann auch bis 230 V/AC schalten, jedoch müssen dann die Sicherheitsbestimmungen beachtet werden wie Berührungsschutz usw. Abmessungen ca. 87 x 60 x 33mm (mit Befestigungsboden) Passendes Zubehör wie Taster usw. siehe Zubehör-Register
 
                                                
                            
                                                            
                
                                                            24V Zeitschaltuhr 24Volt Version Digitale Präzision im LKW, Caravan, Bus, Schaltschrank Zeitgenaues automatisches schalten jedes beliebigen elektronischen Verbrauchers Beispiele: Lampen, Pumpen, Ventilatoren automatische Nachtbeleuchtung usw. Integriertes LCD-Display manueller, oder vollautomatischer Betrieb 16 Verschiedene, individuelle Zeitfenster programmierbar Jedes Zeitfenster hat einen Einschaltzeitpunkt und einen Ausschaltzeitpunkt ( on / off ). Tagesprogramm + Wochenprogramm + frei wählbare (und programmierbare) Einzeltage (oder Blockbildung: Mo-Fr, Sa-So, usw.) kleinste Schaltzeit: 1 Minute auswechselbare Batterie ( Gangreserve bei Stromausfall ) schaltbar auch manuel per Taste Durch Drücken der „AUTO/MANU“ Taste können Sie ihre Verbraucher auch manuell einschalten ( ON ), ausschalten ( OFF ), oder automatisch durch die Zeiteinstellungen regeln lassen ( AUTO ). Hutschienenbefestigung oder Schraubbefestigung möglich ( siehe auch weitere Bilder ) Technische Daten Spannungsversorgung: 24V ( 22-30V ) DC Gleichspannung Schaltkontakt: 1x Schliesser ( Ein-Aus = siehe auch weitere Bilder ) Kontakt-Belastbarkeit des integrierten Relais bis 25A bis 3500W Relaiskontakt geeignet für 12V 24V 36V 48V DC oder auch 230V AC Montage auf Hutschiene 35mm Standard DIN-Schiene oder auch nur AP-Schraubbefestigung möglich Zeitschaltung: 1 Minute bis 168 Stunden Kabeleinlaß 4x5mm für Kabellage 0,75...8qmm Eigenverbrauch < 5W Betriebstemperatur: -10°C bis 50°C Zeitungenauigkeit: +/- 2 Sekunden pro Tag (bei etwa 25°C) Relative Luftfeuchtigkeit: 95% Maße: 120 x 72 x 50 mm Gewicht: 210 g Batterie für Gangreserve ( Stromausfall ) integriert und austauschbar ( 1x AA Mignon ) Diese Niederspannung-Zeitschaltuhr gibt es in zwei Ausführungen : Bst Nr 99-100-00180 = 12Volt Zeitschaltuhr Bst Nr 99-100-00190 = 24Volt Zeitschaltuhr Optionales Zubehör hierzu erhältlich ..... z.b. für ihre Stromverteilung ... und je nach Querschnitt der verwendeten Kabellage z.B. Art-Nr 31-843-00010 = Sicherungshalter für AGU Fuse 1-fach für Kabel bis 25qmm Art-Nr 31-842-00430 = 30A AGU Sicherung Art-Nr 39-400-00071 = Verteilerblock 5-fach für Kabel bis 20qmm 4x10qmm - vergoldet - Art-Nr 39-400-00025 = Verteilerblock 6-fach für Kabel bis 20qmm 4x10qmm - vergoldet - Alternativ Art-Nr 31-843-00170 = Sicherungshalter für ATC Flachstecksicherungen Anreih-Halter KFZ 5-fach
Zubehör
 
                                                
                            
                                                            
                
                                                            30A AGU Sicherung 10x38mm Hochstrom Glassicherung Typischer Einsatz Automotive, KFZ, LKW, Bus, Caravan, ATV, Trike, Marine, Boot, Yacht, Camping Solartechnik in Verbindung mit Panels, Konverter und Solarakkus Allg. Akkutechnik Batterietechnik Bleiakkus Spannungswandler im 12V und 24V Bereich Verstärker Endstufen Technik CAR-HiFi Netzteile mit 12V 24V bis 32V mit entsprechender Amper-Leistung Erhältlich im Strombereich 10A...bis...80A Eigenschaften: Langlebig und ROSTFREI da vergoldete Kontakte Glas Tube Einsatz Outdoor / Indoor Einsatzbereich: 12V / 24V bis 32V AC oder DC Abmessungen L:38mm Durchmesser 10mm passende Sicherungshalter optional in verschiedenen Ausführungen erhältlich ( Unter Suche eingeben AGU ) oder siehe unten im Zubehör Register
 
                                                
                            
                                                            
                
                                                            5-fach Sicherungshalter für KFZ Flachstecksicherungen = ATC Sicherungen ( ATC Fuse ) 5-fach Sicherungshalter für KFZ Flachsteck Sicherungen (ATC Fuse) Dieses modulare System ermöglicht es ihnen individuelle Stromverteiler und Sicherungshalterkombinationen Einzelne Halter die anreihbar sind ... auch auf 6-fach, 8-fach 10-fach ... usw. durch kauf weines weiteren Sets Ideal für jedes Fahrzeug, PKW, Caravan, Wohnmobil, Wohnwagen, LKW, Traktor, Schlepper, Boot, Gartenhaus aufbauen. Einsatzbereich typisch 12V oder 24V Sicherungshalter für KFZ Sicherungen ( übliche KFZ / ATC Fuse ) Kabelanschluss beidseitig Schraubkontakt für Ringschuhe oder U-Schuhe Durch die beiligenden Steckbrücken können alle Eingänge mit dem Plus einfach verbunden werden. Somit können Sie alle 5-Sicherungen auf einen Pol hängen... oder auch 5x einzeln absichern ! max. 40A Gesamtbelastbarkeit Abmessungen siehe auch Zeichnung weitere Bilder Abmessungen gesamt : B: 77mm mit Fuß = 104mm H: 32mm T: 52mm ABMESSUNGEN JE SICHERUNGSHALTER = 52x15x32mm ARBEITSTEMPERATUR -40 bis +105 Grad Celsius (Die Lieferung erfolgt ohne die auf den Fotos abgebildeten Sicherungen.) LIEFERUMFANG 5 Stück ATC Sicherungshalter 5 Stück Abdeckungen für Sicherungshalter 5 Paar Halterungen für Sicherungshalter 5 Stück Verteilersteckbrücken 1 Stück Aufkleber
 
                                                
                            
                                                            
                
                                                            AGU Sicherungshalter solide stabile nicht rostende Ausführung vergoldet Stromkabel von 6qmm bis max. 20qmm Montagefuss fest integriert kann somit angeschraubt werden oder mittels Kabelbinder befestigt werden Für Spannungsbereich 12V oder 24V oder auch 48V Belastbarkeit 1A....80A Für AGU Sicherungen (38mm x 10mm) bis 80A passende Sicherungen hierzu siehe unter Zubehör-Register oder unter Suche AGU
 
                                                
                            
                                                            
                
                                                            Masseverteiler Verteiler Klemmblock 12V oder 24V Strom Verteilerblock Masseverteiler Plusverteiler Typischer Einsatz KFZ, LKW, ATV, Trike, Boot, Caravan, Solartechnik, CAR-HiFi usw. Typische Verwendung z.B. als Masseverteiler, oder Plusverteiler an der Batterie, Netzteilen usw. für dicke Kabelquerschnitte Einsatz KFZ, LKW, ATV, Trike, Boot, Marine, Caravan, Car-HiFi, Solartechnik, Spannungswandler, Konverter, Batterietechnik, Akku Stromverteilung usw. Typische Verwendung als Masseverteiler, Plusverteiler für dicke Kabelquerschnitte Langlebig und rostfrei ! Drahteinführung Ringsum 2x Anschluss 8...20qmm 4x Anschluss 4...10qmm Typischer Einsatzbereich: 12V / 24V / 36V / 48V DC Systeme Belastbarkeit typisch bis 200A max. kurzfristig 400A Abmessungen: Plexihaube oben 60x60mm Sockel-Durchmesser: 80mm H: 30mm Innenimbuschrauben für die Kabelbefestigung.
 
                                                
                            
                                                            
                
                                                            Verteiler Klemmblock 12V oder 24V Strom Verteilerblock Masseverteiler Plusverteiler Typischer Einsatz KFZ, LKW, ATV, Trike, Boot, Caravan, Solartechnik, CAR-HiFi usw. Typische Verwendung z.B. als Masseverteiler, oder Plusverteiler an der Batterie, Netzteilen usw. für dicke Kabelquerschnitte Einsatz KFZ, LKW, ATV, Trike, Boot, Marine, Caravan, Car-HiFi, Solartechnik, Spannungswandler, Konverter, Batterietechnik, Akku Stromverteilung usw. Typische Verwendung als Masseverteiler, Plusverteiler für dicke Kabelquerschnitte Drahteinführung Links und Rechts 1x Anschluss 6....20qmm 4x Anschluss 2,5...10qmm Typischer Einsatzbereich: 12V / 24V / 36V / 48V DC Systeme Belastbarkeit typisch bis 200A max. kurzfristig 400A Abmessungen: Block 25 x 23 x 63mm Bodenplatte: 51 x 64mm Unter den roten Verschlußstopfen befinden sich Innenimbuschrauben für die Kabelbefestigung.
 
                                                                         
                                                                                                                                                                                                                             
                                                                                                                                                                                                                             
                                                                                                                                                                                                                             
                                                                                                                                                                                                                            