Zum Hauptinhalt springen Zur Suche springen Zur Hauptnavigation springen
schneller Versand
Telefonische Beratung
Rufen Sie gerne an
Rechnungszahlung für Firmen/Behörden
Telefon: +49 (0)7362 - 919093

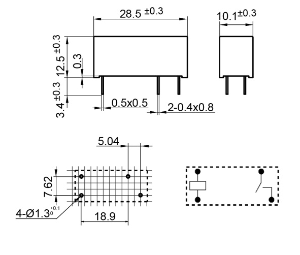
24V Relais 12-24Vdc Spule 1xEIN Schliesser bis 10A 250Vac

Produktinformationen "24V Relais 12-24Vdc Spule 1xEIN Schliesser bis 10A 250Vac"

12V .... 24V Relais Ersatzrelais für die Platine PCB 

  • Spule-Einsatzbereich: 12...24V (DC) 2350-Ohm 
  • Spule einsetzbar im Bereich ( 12V...15V...19V...24V...28...36...48V )
  • Strombelastung bei 24V = 10mA / Strombelastung bei 12V = 5,1mA 
  • Rated coil Power 220-290mW 
  • Kontakt: 1x EIN = 1x Schliesserkontakt 
  • Kontaktbelastbarkeit: bis 10A 250V AC  2500VA 
  • Dielectric Strength coil-contakt circuit 5kV / 8 mm coil-contact
  • Reinforced insulation ( Protection Class II )
  • Plastic materials according to IEC60335-1
  • Temperatureinsatzbereich -40...+85°C 
  • Vibrationsfest bis 5G
  • Abmessungen siehe auch weitere Bilder Zeichnung 
  • Aussenabmessungen  B: 28,5mm T:10,1mm H:12,3mm
  • RM: Quer: 7,62mm - Längsrichtung: 18,9...19,0mm / 5,04mm
  • Achtung bitte messen Sie ihr Pinlayout von dem zu ersetzenden Platinenrelais zuvor nach !
  • und vergleichen Sie es mit unserer Zeichnung ( Bild-2 das ist der Lieferzustand
  • Es gibt bedingt ! * noch alte Ausführungen von Schrackrelais mit RM3,2mm ! 
  • aus der unten stehenden Ersatz Relaisliste von Schrack mit RM3,2mm statt RM5,04mm das wir liefern !
  • ggf. nehmen sie einen 1,5mm Platinenbohrer und Bohren den einen Pin auf der Platine um - dann geht es auch !

Ersatzrelais für die Reparatur von Steuerungen aller Art

  • Zusatzinfo ersetzt unter anderem Relais div Hersteller mit Sonderabmessungen / Sonder Rastermaß 19mm ( Spule zu Kontakt ) 
  • Ersetzt bedingt ! * unter anderem 
  • ELESTA SVR432 ... in Buderus Heizungssteuerung RM3-M006 11250400402837
  • sowie Buderus Modul 004, M004, 6 DIP Kesselkreisregelung, Ecomatic 3000 Regelung
  • Schrack Tyco RY530012 ( mit 630-Ohm )
  • Schrack Tyco RY531012 ( mit 630-Ohm )  
  • Schrack Tyco RY532012 ( mit 630-Ohm )
  • Schrack Tyco RY533012 ( mit 630-Ohm ) 
  • Schrack Tyco RY530024 ( mit 2350-Ohm )
  • Schrack Tyco RY531024 ( mit 2350-Ohm )
  • Schrack Tyco RY532024 ( mit 2350-Ohm )
  • Schrack Tyco RY533024 ( mit 2350-Ohm )
  • Schrack Tyco RY-II Serie mit 12V 15V 19V 24V u.v.w.m.
  • Schrack Tyco RYA30012 (  627-Ohm )
  • Schrack Tyco RYA31012 (  627-Ohm )
  • Schrack Tyco RYA32012 (  627-Ohm )
  • Schrack Tyco RYA33012 (  627-Ohm ) 
  • Schrack Tyco RYA30015 ( 1150-Ohm ) 
  • Schrack Tyco RYA30019 ( 1400-Ohm ) 
  • Schrack Tyco RYA30024  ( 2350-Ohm )
  • Schrack Tyco RYA31024  ( 2350-Ohm )
  • Schrack Tyco RYA32024  ( 2350-Ohm )
  • Schrack Tyco RYA33024  ( 2350-Ohm ) 
  • Schrack Tyco RY211024 ...  u.v.w.m. mit selben Pin-Layout 

Zusatzinformation: 

Weitere andere Bauform von 24V Relais zur Buderus Steuerung Serien  = Nr   47-826-00365  oder  47-826-04500 ( Nr unter Suche eingeben )  oder unten Register ( Ähnliche Atikel unten ) 

0 von 0 Bewertungen

Durchschnittliche Bewertung von 0 von 5 Sternen

Bewerten Sie dieses Produkt!

Teilen Sie Ihre Erfahrungen mit anderen Kunden.


Produktgalerie überspringen

Ähnliche Artikel

Rabatt
24V Relais 12-24Vdc Spule 1xEIN Schliesser bis 10A 250Vac
24V Relais 12-24Vdc Spule 1xEIN Schliesser bis 10A 250Vac

12V .... 24V Relais Ersatzrelais für die Platine PCB  Spule-Einsatzbereich: 12...24V (DC) 2350-Ohm  Spule einsetzbar im Bereich ( 12V...15V...19V...24V...28...36...48V ) Strombelastung bei 24V = 10mA / Strombelastung bei 12V = 5,1mA  Rated coil Power 220-290mW  Kontakt: 1x EIN = 1x Schliesserkontakt  Kontaktbelastbarkeit: bis 10A 250V AC  2500VA  Dielectric Strength coil-contakt circuit 5kV / 8 mm coil-contact Reinforced insulation ( Protection Class II ) Plastic materials according to IEC60335-1 Temperatureinsatzbereich -40...+85°C  Vibrationsfest bis 5G Abmessungen siehe auch weitere Bilder Zeichnung  Aussenabmessungen  B: 28,5mm T:10,1mm H:12,3mm RM: Quer: 7,62mm - Längsrichtung: 18,9...19,0mm / 5,04mm Achtung bitte messen Sie ihr Pinlayout von dem zu ersetzenden Platinenrelais zuvor nach ! und vergleichen Sie es mit unserer Zeichnung ( Bild-2 das ist der Lieferzustand )  Es gibt bedingt ! * noch alte Ausführungen von Schrackrelais mit RM3,2mm !  aus der unten stehenden Ersatz Relaisliste von Schrack mit RM3,2mm statt RM5,04mm das wir liefern ! ggf. nehmen sie einen 1,5mm Platinenbohrer und Bohren den einen Pin auf der Platine um - dann geht es auch ! Ersatzrelais für die Reparatur von Steuerungen aller Art Zusatzinfo ersetzt unter anderem Relais div Hersteller mit Sonderabmessungen / Sonder Rastermaß 19mm ( Spule zu Kontakt )  Ersetzt bedingt ! * unter anderem  ELESTA SVR432 ... in Buderus Heizungssteuerung RM3-M006 11250400402837 sowie Buderus Modul 004, M004, 6 DIP Kesselkreisregelung, Ecomatic 3000 Regelung Schrack Tyco RY530012 ( mit 630-Ohm ) Schrack Tyco RY531012 ( mit 630-Ohm )   Schrack Tyco RY532012 ( mit 630-Ohm ) Schrack Tyco RY533012 ( mit 630-Ohm )  Schrack Tyco RY530024 ( mit 2350-Ohm ) Schrack Tyco RY531024 ( mit 2350-Ohm ) Schrack Tyco RY532024 ( mit 2350-Ohm ) Schrack Tyco RY533024 ( mit 2350-Ohm ) Schrack Tyco RY-II Serie mit 12V 15V 19V 24V u.v.w.m. Schrack Tyco RYA30012 (  627-Ohm ) Schrack Tyco RYA31012 (  627-Ohm ) Schrack Tyco RYA32012 (  627-Ohm ) Schrack Tyco RYA33012 (  627-Ohm )  Schrack Tyco RYA30015 ( 1150-Ohm )  Schrack Tyco RYA30019 ( 1400-Ohm )  Schrack Tyco RYA30024  ( 2350-Ohm ) Schrack Tyco RYA31024  ( 2350-Ohm ) Schrack Tyco RYA32024  ( 2350-Ohm ) Schrack Tyco RYA33024  ( 2350-Ohm )  Schrack Tyco RY211024 ...  u.v.w.m. mit selben Pin-Layout  Zusatzinformation:  Weitere andere Bauform von 24V Relais zur Buderus Steuerung Serien  = Nr   47-826-00365  oder  47-826-04500 ( Nr unter Suche eingeben )  oder unten Register ( Ähnliche Atikel unten ) 

Verkaufspreis: 5,55 € Regulärer Preis: 9,95 € (44.22% gespart)
Nur 10 auf Lager!
Relais 12V DC Spule 1xUM Wechslerkontakt bis 5A 250Vac V23057-Bxxx
Relais 12V DC Spule 1xUM Wechslerkontakt bis 5A 250Vac V23057-Bxxx

12V Relais ersetzt KR510012 / V23057-B0002-A101 / V23027X / RP10012S und viele weitere mehr. ***** Nicht mehr lieferbar *** Ersatzartikel = Art-Nr 47-826-02308 **** siehe unten unter Ähnliche Artikel ***** Sehr gängiges Kleinrelais, findet Einsatz in unzähligen Schaltungen und Steuerungen auch von Buderus etc.   Ersetzt Wallek / RP10012S / KR510012 / V23057-B0002-A101 / V23027X und viele weitere mehr. Daher auch interessant als Ersatzrelais in Heizungssteuerungen, Schaltungen aller Art Waschdichtes Printrelais ( Leiterplattenrelais ) Spule: 12V (DC) mit 330-Ohm  Spulenbereich: 8-16V Coil-Power: 450-500mW Dielectric strength coil-contact circuit 4000V rms Dielectric strength open contact circuit 1000V rms Leistungsrelais mit 1xWechsler Kontakt (UM) Kontakt Material AgNi0,15 Kontakt-Belastbarkeit: 5A 250V (AC) 1250VA Contact-Ratings nach IEC61810 = 5A 250VAC / nach UL508 = 8A 250VAC  Kontakt Schliesser: 4 auf 5 ( Ruhezustand offen ) Kontakt Öffner :     4 auf 3 ( Ruhezustand geschlossen ) Standard: 250VAC + Max. Switching Voltage 400VAC ( siehe auch weitere Bilder ) Temperatur Einsatzbereich: -40...+70°C Rastermaß auf Platine: 7,62 Spule / 5,08 Kontakt ( siehe Zeichnung ) Zeichnung Pinlayout siehe weitere Bilder ! Abmessungen: B:27,8mm H:24.5mm T:10.5mm  Dieses Profi-Relais-Serie ist erhältlich wie folgt :    Art-Nr 47-826-00360 = 12V Spule Kontakt 5/8A 250VAC ( nicht mehr lieferbar )  Art-Nr 47-826-02308 = 12V Spule Kontakt 8/15A 250VAC Alternativ  Art-Nr 47-826-00365 = 24V Spule Kontakt 5/8A 250VAC Art-Nr 47-826-00623 = 24V Spule Kontakt 8/15A 250VAC  Zusatzinformation :  Weitere 24V Relais zur Buderus Steuerung halbhohe Bauform zur Serie Buderus Ecomatic 3000 = Nr 47-826-04510  ( Nr unter Suche eingeben )  oder unten Register ( ähnliche Atikel ) 

Regulärer Preis: Ab 26,90 €
Rabatt
Relais 24V DC Spule 1xUM Wechslerkontakt bis 8A 250Vac V23057 Serie
Relais 24V DC Spule 1xUM Wechslerkontakt bis 8A 250Vac V23057 Serie

24V Relais ersetzt V23127-B00006-Axx / KR510024 / V23057-B0006-A101 / V23027X / RP10024S und viele weitere mehr. Print-, bzw. Leiterplatten Leistungsrelais Sehr gängiges Kleinrelais, findet Einsatz in unzähligen Schaltungen und Steuerungen auch von Buderus usw.    Ersetzt Wallek / RP10024S / KR510024 / V23127-B0006 / V23057-B0006-A101 / V23027X und viele weitere mehr. Daher auch interessant als Ersatzrelais in Heizungssteuerungen, Schaltungen aller Art Waschdichtes Printrelais ( Leiterplattenrelais ) Spule: 24V (DC) mit 1200-Ohm  Spulenbereich: 16,6...31V DC Coil-Power: 450-500mW Dielectric strength coil-contact circuit 4000V rms Dielectric strength open contact circuit 1000V rms Leistungsrelais mit 1xWechsler Kontakt (UM) Kontakt Material  AgNi20 ... AgNi0,15 Kontakt-Belastbarkeit: 8A 250V (AC) max. 1250VA = Nennschaltstrom : 8A Contact-Ratings nach IEC61810 = 8A 250VAC / Schaltstrom, max.: 15A kurzfristik 15A 4sek 250VAC  Kontakt Schliesser: 4 auf 5 ( Ruhezustand offen ) Konttakt Öffner :     4 auf 3 ( Ruhezustand geschlossen ) Standard: 250VAC + Max. Switching Voltage 400VAC ( siehe auch weitere Bilder ) Temperatur Einsatzbereich: -40...+70°C Rastermaß auf Platine: 7,62 Spule / 5,08 Kontakt ( siehe Zeichnung ) Abmessungen: B:27,8mm H:24.5mm T:10.5mm Zeichnung Pinlayout und weitere Infos siehe weitere Bilder !  Dieses Profi-Relais-Serie ist erhältlich wie folgt :     Art-Nr 47-826-00360 = 12V Spule Kontakt 5/8A 250VAC Art-Nr 47-826-02308 = 12V Spule Kontakt 8/15A 250VAC Alternativ  Art-Nr 47-826-00365 = 24V Spule Kontakt 5/8A 250VAC Art-Nr 47-826-00623 = 24V Spule Kontakt 8/15A 250VAC   Zusatzinformation:  Weitere 24V Relais zur Buderus Steuerung halbhohe Bauform zur Serie Buderus Ecomatic 3000  = Nr 47-826-04510  ( Nr unter Suche eingeben )  oder unten Register ( Ähnliche Atikel )  Zusatzinfo und Fragen eines Kunden :   In wie fern das das oben genannte als Ersatztyp eingesetz werden kann   1) vom Pinlayout aus  2) vom Rastermaß aus und der Kontaktbelegung  3) von den Abmessungen her  4) von der Schaltleistung des Kontaktes  5) von der Isolation her 4KV Coil-Kontakt her auch  Diese Relais von Siemens TE Tyco gibt es seit Jahrzehnten die Bezeichnung definiert  Bezeichnung V23127-Bxxx = B = vertical = stehend  Bezeichnung V23057-Bxxx = B = vertical = stehend  Bezeichnung V23057-Axxx = A = horizontal = liegend z.B. A oder B dann Zahl 0002 = 12V / 0006 = 24V  / 0013 = 48V = Spulenspannung   Kontakte = A101 AGNi  / A102 AgNi / A201 AgNi / A202 AGNi / A901 AGSnO / A401 AgCdO zur Erklärung AgCd ist = Silber-Cadmium-Kontakt = Cadium ist verboten worden vom Material her, die Kontakte sind durch andere Materialen ersetzt worden , dadurch ersetzt es auch A401 aus der Vergangenheit  

Verkaufspreis: 19,95 € Regulärer Preis: 33,00 € (39.55% gespart)
24V Relais 24V DC Spule 1xUM Wechslerkontakt bis 5A 250Vac V23057 Serie
24V Relais 24V DC Spule 1xUM Wechslerkontakt bis 5A 250Vac V23057 Serie

24V Relais ersetzt KR510024 / V23057-B0006-A101 / V23027X / RP10024S und viele weitere mehr. Print-, bzw. Leiterplatten Leistungsrelais Sehr gängiges Kleinrelais, findet Einsatz in unzähligen Schaltungen und Steuerungen auch von Buderus usw.    Ersetzt Wallek / RP10024S / KR510024 / V23057-B0006-A101 / V23027X und viele weitere mehr. Daher auch interessant als Ersatzrelais in Heizungssteuerungen, Schaltungen aller Art Waschdichtes Printrelais ( Leiterplattenrelais ) Spule: 24V (DC) mit 1200-Ohm  Spulenbereich: 16,6...31V DC Coil-Power: 450-500mW Dielectric strength coil-contact circuit 4000V rms Dielectric strength open contact circuit 1000V rms Leistungsrelais mit 1xWechsler Kontakt (UM) Kontakt Material  AgNi20 ... AgNi0,15 Kontakt-Belastbarkeit: 5A 250V (AC) max. 1250VA Contact-Ratings nach IEC61810 = 5A 250VAC / nach UL508 = 8A 250VAC  Kontakt Schliesser: 4 auf 5 ( Ruhezustand offen ) Konttakt Öffner :     4 auf 3 ( Ruhezustand geschlossen ) Standard: 250VAC + Max. Switching Voltage 400VAC ( siehe auch weitere Bilder ) Temperatur Einsatzbereich: -40...+70°C Rastermaß auf Platine: 7,62 Spule / 5,08 Kontakt ( siehe Zeichnung ) Abmessungen: B:27,8mm H:24.5mm T:10.5mm Zeichnung Pinlayout und weitere Infos siehe weitere Bilder !  Dieses Profi-Relais-Serie ist erhältlich wie folgt :     Art-Nr 47-826-00360 = 12V Spule Kontakt 5/8A 250VAC Art-Nr 47-826-02308 = 12V Spule Kontakt 8/15A 250VAC Alternativ  Art-Nr 47-826-00365 = 24V Spule Kontakt 5/8A 250VAC Art-Nr 47-826-00623 = 24V Spule Kontakt 8/15A 250VAC   Zusatzinformation:  Weitere 24V Relais zur Buderus Steuerung halbhohe Bauform zur Serie Buderus Ecomatic 3000  = Nr 47-826-04510  ( Nr unter Suche eingeben )  oder unten Register ( Ähnliche Atikel )  Zusatzinfo und Fragen eines Kunden :   In wie fern das das oben genannte als Ersatztyp eingesetz werden kann   1) vom Pinlayout aus  2) vom Rastermaß aus und der Kontaktbelegung  3) von den Abmessungen her  4) von der Schaltleistung des Kontaktes  5) von der Isolation her 4KV Coil-Kontakt her auch  Diese Relais von Siemens TE Tyco gibt es seit Jahrzehnten die Bezeichnung definiert  Bezeichnung V23057-Bxxx = B = vertical = stehend  Bezeichnung V23057-Axxx = A = horizontal = liegend z.B. A oder B dann Zahl 0002 = 12V / 0006 = 24V  / 0013 = 48V = Spulenspannung   Kontakte = A101 AGNi  / A102 AgNi / A201 AgNi / A202 AGNi / A901 AGSnO / A401 AgCdO zur Erklärung AgCd ist = Silber-Cadmium-Kontakt = Cadium ist verboten worden vom Material her, die Kontakte sind durch andere Materialen ersetzt worden , dadurch ersetzt es auch A401 aus der Vergangenheit  

Regulärer Preis: Ab 17,90 €